Wiesenfield WIE-FS-205A handleiding
Handleiding
Je bekijkt pagina 47 van 481

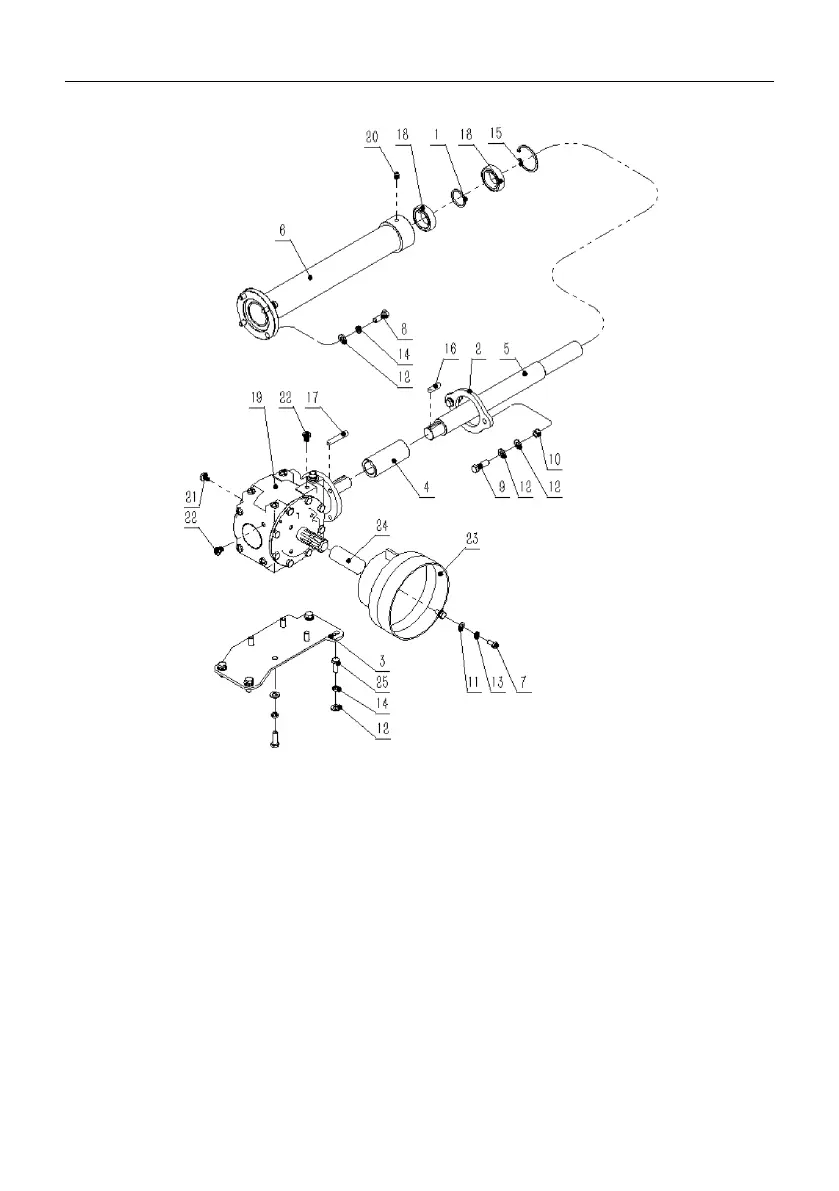
Getriebemontage
1 - Lagerscheibe
2 - Einstellring
3 - Befestigungsplatte des Getriebes
4 - Buchse
5 - Verlängerungswelle
6 - Verlängerungslanze
7 - Sechskantbolzen mit Vollgewinde
8 - Sechskantbolzen mit Vollgewinde
9 - Sechskantbolzen mit Vollgewinde
10 - Gegenmutter
11 - Glatte Unterlegscheibe
12 - Glatte Unterlegscheibe
Bekijk gratis de handleiding van Wiesenfield WIE-FS-205A, stel vragen en lees de antwoorden op veelvoorkomende problemen, of gebruik onze assistent om sneller informatie in de handleiding te vinden of uitleg te krijgen over specifieke functies.
Productinformatie
| Merk | Wiesenfield |
| Model | WIE-FS-205A |
| Categorie | Niet gecategoriseerd |
| Taal | Nederlands |
| Grootte | 64030 MB |







