Wiesenfield WIE-FMO-125S handleiding
Handleiding
Je bekijkt pagina 86 van 424

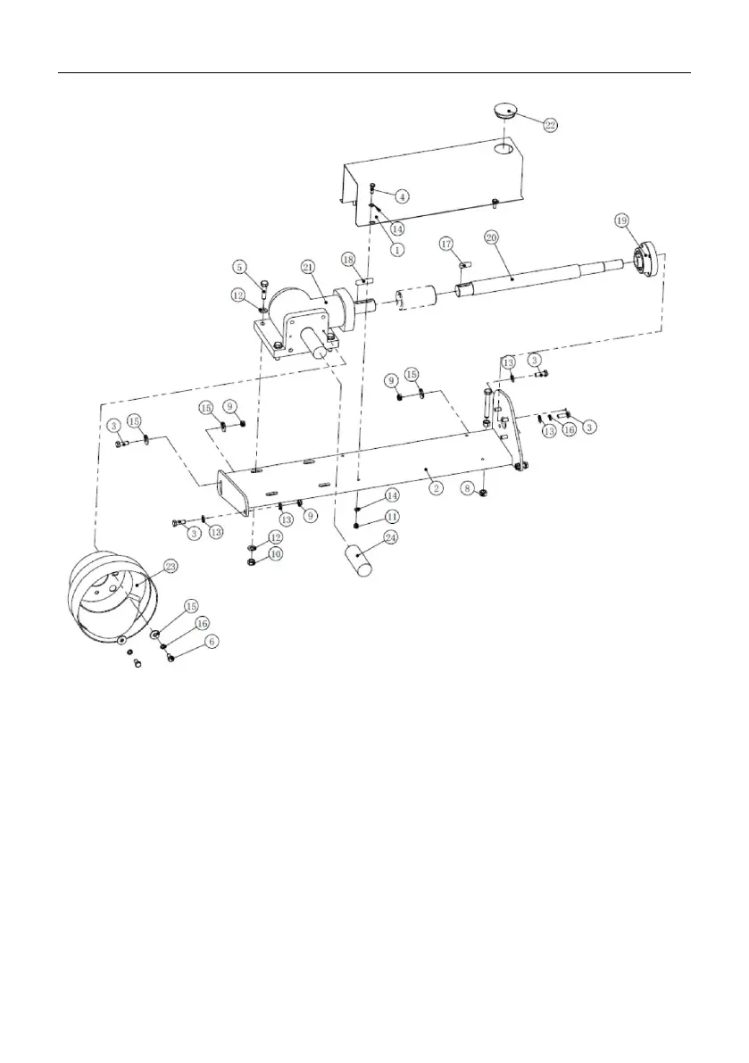
Gearbox drive shaft assembly
1 - Cover
2 - Gearbox mounting plate assembly
3 - Full-thread hexagon bolts
4 - Full-thread hexagon bolts
5 - Full-thread hexagon bolts
6 - Full-thread hexagon bolts
7 - Full-thread hexagon bolts
8 - Hexagon Nuts
9 - Locknut
10 - Locknut
11 - Locknut
12 - Plain washer
13 - Plain washer
Bekijk gratis de handleiding van Wiesenfield WIE-FMO-125S, stel vragen en lees de antwoorden op veelvoorkomende problemen, of gebruik onze assistent om sneller informatie in de handleiding te vinden of uitleg te krijgen over specifieke functies.
Productinformatie
| Merk | Wiesenfield |
| Model | WIE-FMO-125S |
| Categorie | Niet gecategoriseerd |
| Taal | Nederlands |
| Grootte | 61700 MB |







