Wiesenfield WIE-FMO-125S handleiding
Handleiding
Je bekijkt pagina 41 van 424

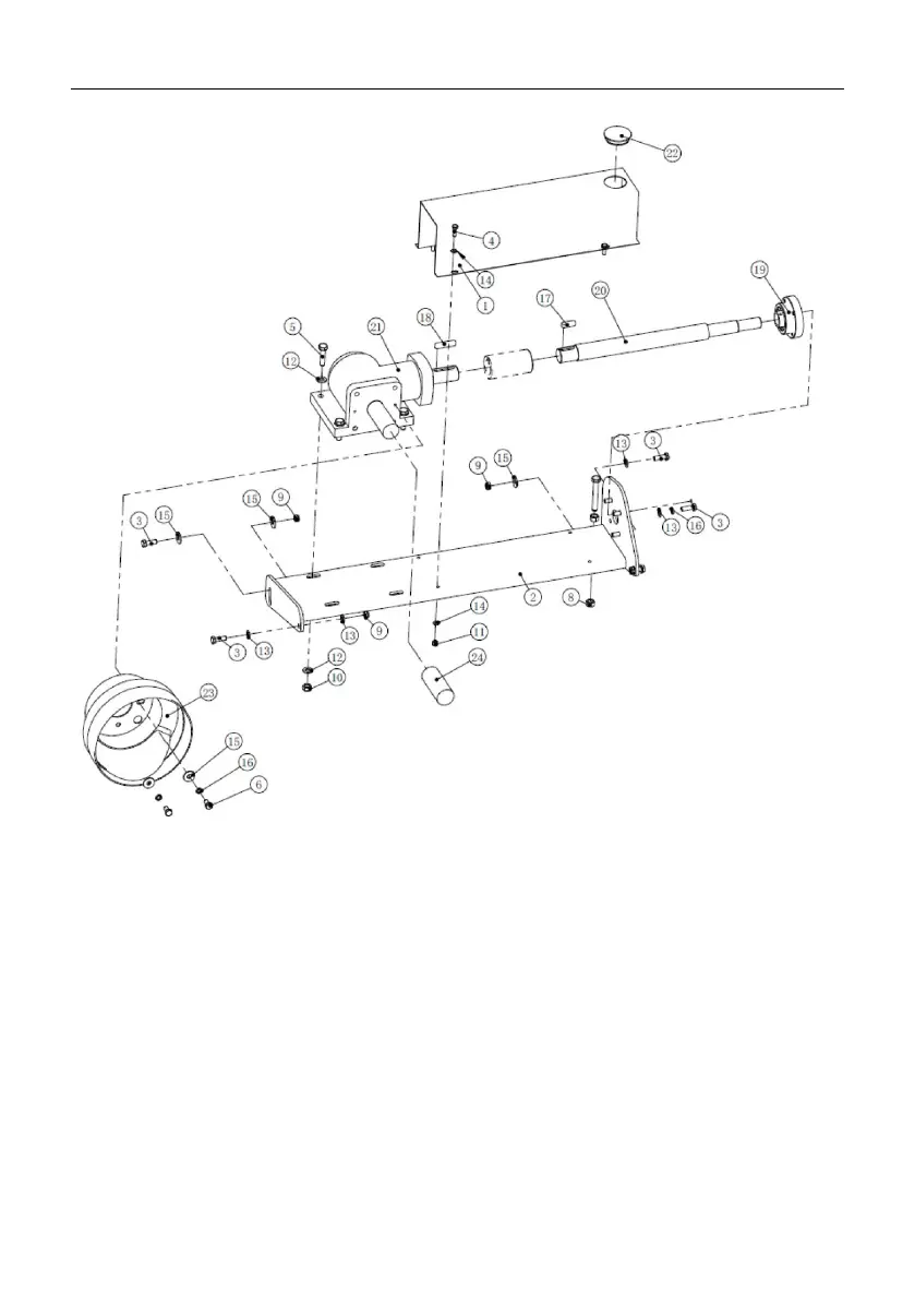
Montage der Antriebswelle des Getriebes
1 - Schutzhülle
2 - Montage der Getriebemontageplatte
3 - Sechskantbolzen mit Vollgewinde
4 - Sechskantbolzen mit Vollgewinde
5 - Sechskantbolzen mit Vollgewinde
6 - Sechskantbolzen mit Vollgewinde
7 - Sechskantbolzen mit Vollgewinde
8 - Sechskantmuttern
9 - Gegenmutter
10 - Gegenmutter
11 - Gegenmutter
12 - Glatte Unterlegscheibe
13 - Glatte Unterlegscheibe
Bekijk gratis de handleiding van Wiesenfield WIE-FMO-125S, stel vragen en lees de antwoorden op veelvoorkomende problemen, of gebruik onze assistent om sneller informatie in de handleiding te vinden of uitleg te krijgen over specifieke functies.
Productinformatie
| Merk | Wiesenfield |
| Model | WIE-FMO-125S |
| Categorie | Niet gecategoriseerd |
| Taal | Nederlands |
| Grootte | 61700 MB |







