Wiesenfield WIE-FMO-125S handleiding
Handleiding
Je bekijkt pagina 133 van 424

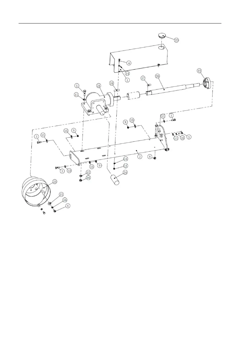
Zespół wału napędowego skrzyni biegów
1 - Pokrowiec
2 - Zespół płyty montażowej skrzyni biegów
3 - Śruby sześciokątne z pełnym gwintem
4 - Śruby sześciokątne z pełnym gwintem
5 - Śruby sześciokątne z pełnym gwintem
6 - Śruby sześciokątne z pełnym gwintem
7 - Śruby sześciokątne z pełnym gwintem
8 - Nakrętki sześciokątne
9 - przeciwnakrętka
10 - przeciwnakrętka
11 - przeciwnakrętka
12 - Zwykła podkładka
13 - Zwykła podkładka
Bekijk gratis de handleiding van Wiesenfield WIE-FMO-125S, stel vragen en lees de antwoorden op veelvoorkomende problemen, of gebruik onze assistent om sneller informatie in de handleiding te vinden of uitleg te krijgen over specifieke functies.
Productinformatie
| Merk | Wiesenfield |
| Model | WIE-FMO-125S |
| Categorie | Niet gecategoriseerd |
| Taal | Nederlands |
| Grootte | 61700 MB |







