Wiesenfield WIE-CS-120 handleiding
Handleiding
Je bekijkt pagina 10 van 76

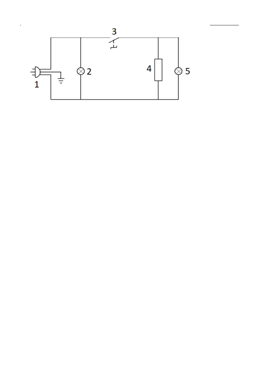
1 - Stromversorgungsstecker
2 - Anzeige der Stromversorgung
3 - Thermostat
4 - Tauchsieder
5 - Heizanzeige
3.2. Vorbereitung zur Verwendung
ARBEITSPLATZ DES GERÄTES:
Verwenden Sie das Gerät nicht bei Umgebungstemperaturen über 40 °C sein und
einer relativen Luftfeuchtigkeit über 85 %. Stellen Sie das Gerät so auf, dass eine
gute Luftzirkulation gewährleistet ist. Es ist auf allen Seiten ein Abstand von
mindestens 10 cm einzuhalten. Halten Sie das Gerät von heißen Flächen fern. Das
Gerät sollte immer auf einer ebenen, stabilen, sauberen, feuerfesten und
trockenen Oberfläche und außerhalb der Reichweite von Kindern und Personen
mit eingeschränkten geistigen, sensorischen und psychischen Fähigkeiten
verwendet werden. Stellen Sie sicher, dass der Netzstecker jederzeit zugänglich
und nicht verdeckt ist. Achten Sie darauf, dass die Stromversorgung des Gerätes
den Angaben auf dem Produktschild entspricht.
Das Gerät sollte so aufgestellt werden, dass der Zugang zu jeder Seite des Geräts
und seinen Bauteilen nicht behindert wird. So kann das Gerät effizient gewartet
und aus hygienischen Gründen sauber gehalten werden.
Bekijk gratis de handleiding van Wiesenfield WIE-CS-120, stel vragen en lees de antwoorden op veelvoorkomende problemen, of gebruik onze assistent om sneller informatie in de handleiding te vinden of uitleg te krijgen over specifieke functies.
Productinformatie
| Merk | Wiesenfield |
| Model | WIE-CS-120 |
| Categorie | Niet gecategoriseerd |
| Taal | Nederlands |
| Grootte | 11249 MB |







