Handleiding
Je bekijkt pagina 54 van 142

FR / 54
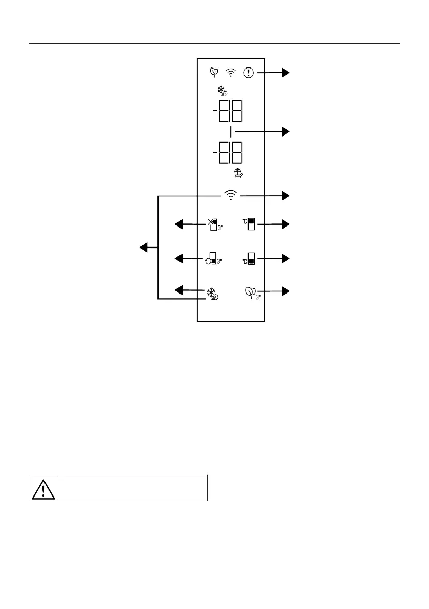
7 Panneau de contrôle du produit
1
2
3
4
5
67
8
9
10
1 * Indicateur de condition d’erreur 2 * Indicateur d’économie d’énergie (af-
fichage éteint)
3 *Clé sans fil 4 * Clé de réglage de la température du
compartiment de refroidissement
5 * Clé de réglage de la température du
compartiment congélateur
6 * Clé du module désodorisant
7 * Clé de congélation rapide 8 * Clé de conversion des comparti-
ments
9 * Touche de fonction ARRÊT du com-
partiment réfrigéré (vacances)
10 * Clé pour la réinitialisation des para-
mètres de connexion sans fil
Lisez d’abord la section « Instruc-
tions de sécurité ».
Les fonctions sonores et visuelles dudit
panneau vous aident à utiliser votre réfrigé-
rateur.
*En option: Les fonctions indiquées sont
facultatives, il peut y avoir des différences
de forme et d’emplacement au niveau des
fonctions indiquées sur l’indicateur de votre
appareil.
Bekijk gratis de handleiding van Whirlpool WHK2 6493 X4E, stel vragen en lees de antwoorden op veelvoorkomende problemen, of gebruik onze assistent om sneller informatie in de handleiding te vinden of uitleg te krijgen over specifieke functies.
Productinformatie
Merk | Whirlpool |
Model | WHK2 6493 X4E |
Categorie | Koelkast |
Taal | Nederlands |
Grootte | 12303 MB |