Wesco 272461 handleiding
Handleiding
Je bekijkt pagina 9 van 26

Page9of26
©Copyright 2018 WESCO Industrial Products, LLC. Specifications subject to change. Not responsible for errors or omissions.
Electric Non-Telescoping High Lift Truck
(Part # 272460 & 272461)
Instruction Manual
ATTENTION: TO INSURE SAFE AND EASY USE OF YOUR HIGH LIFT TRUCK,
READ THESE INSTRUCTIONS ENTIRELY BEFORE USING.
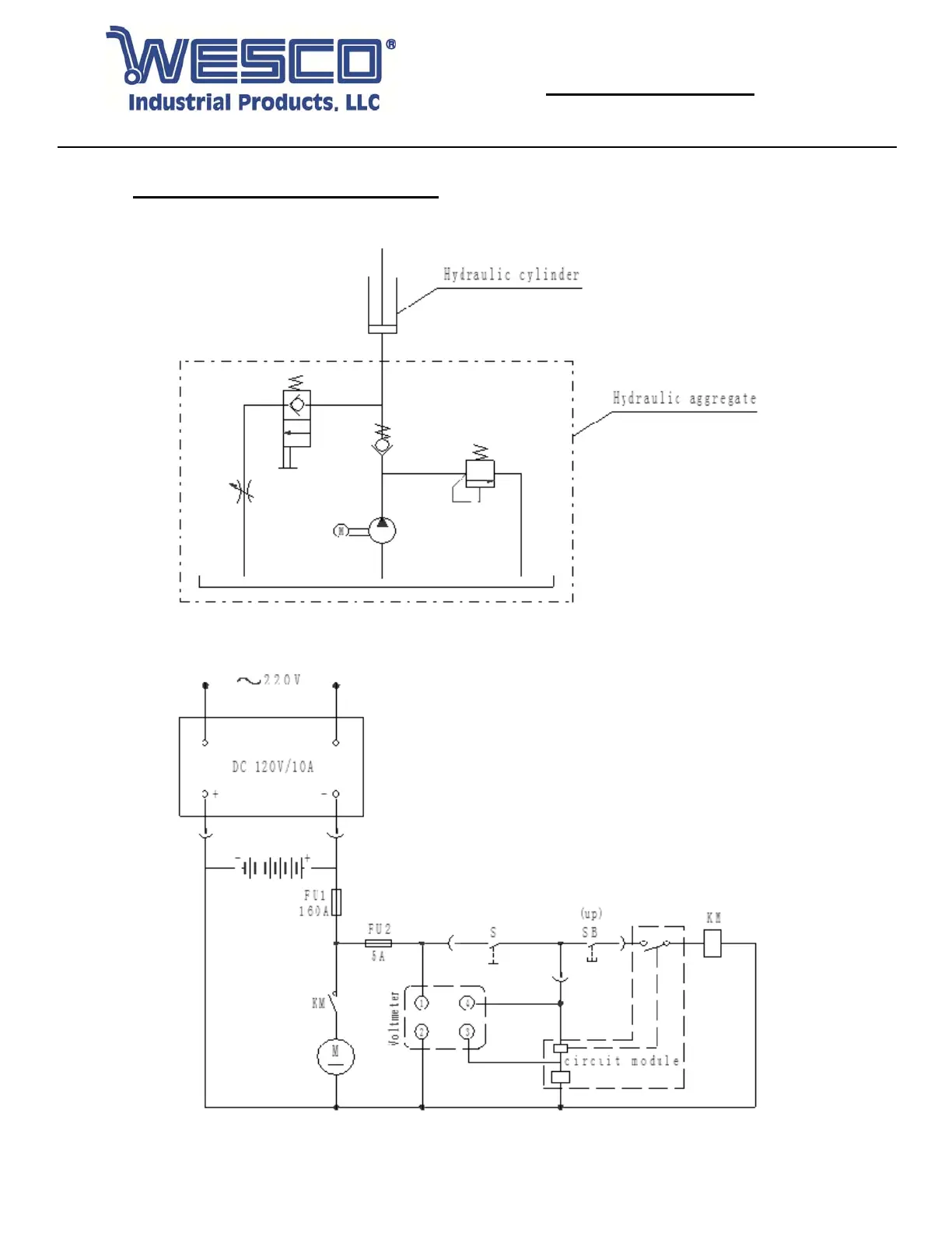
9. HYDRAULIC & CURCUIT DIAGRAMS
9.1 Hydraulic Flow Diagram (Models Manufactured Before 2010)
9.2 Circuit Diagram (Models Manufactured Before 2010)
Bekijk gratis de handleiding van Wesco 272461, stel vragen en lees de antwoorden op veelvoorkomende problemen, of gebruik onze assistent om sneller informatie in de handleiding te vinden of uitleg te krijgen over specifieke functies.
Productinformatie
Merk | Wesco |
Model | 272461 |
Categorie | Niet gecategoriseerd |
Taal | Nederlands |
Grootte | 6487 MB |