Wascomat Senior W 125 handleiding

59 pagina's
PDF beschikbaar

Handleiding

Je bekijkt pagina 27 van 59
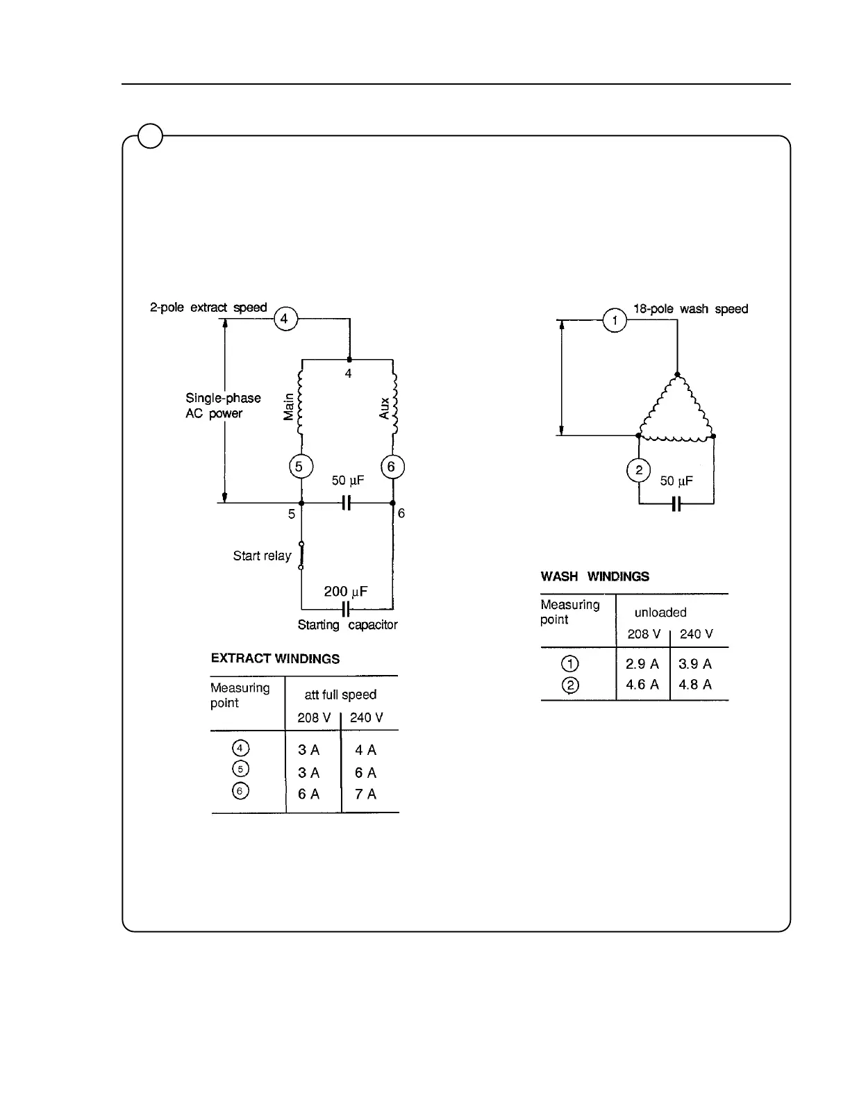
Mechanical and electrical design
23
1700
34
W125 208-240 V 60 Hz single-phase

Bekijk gratis de handleiding van Wascomat Senior W 125, stel vragen en lees de antwoorden op veelvoorkomende problemen, of gebruik onze assistent om sneller informatie in de handleiding te vinden of uitleg te krijgen over specifieke functies.

Productinformatie

MerkWascomat
ModelSenior W 125
CategorieWasmachine
TaalNederlands
Grootte5164 MB