Vulcan VSC60 handleiding

25 pagina's
PDF beschikbaar

Handleiding

Je bekijkt pagina 19 van 25
-17-
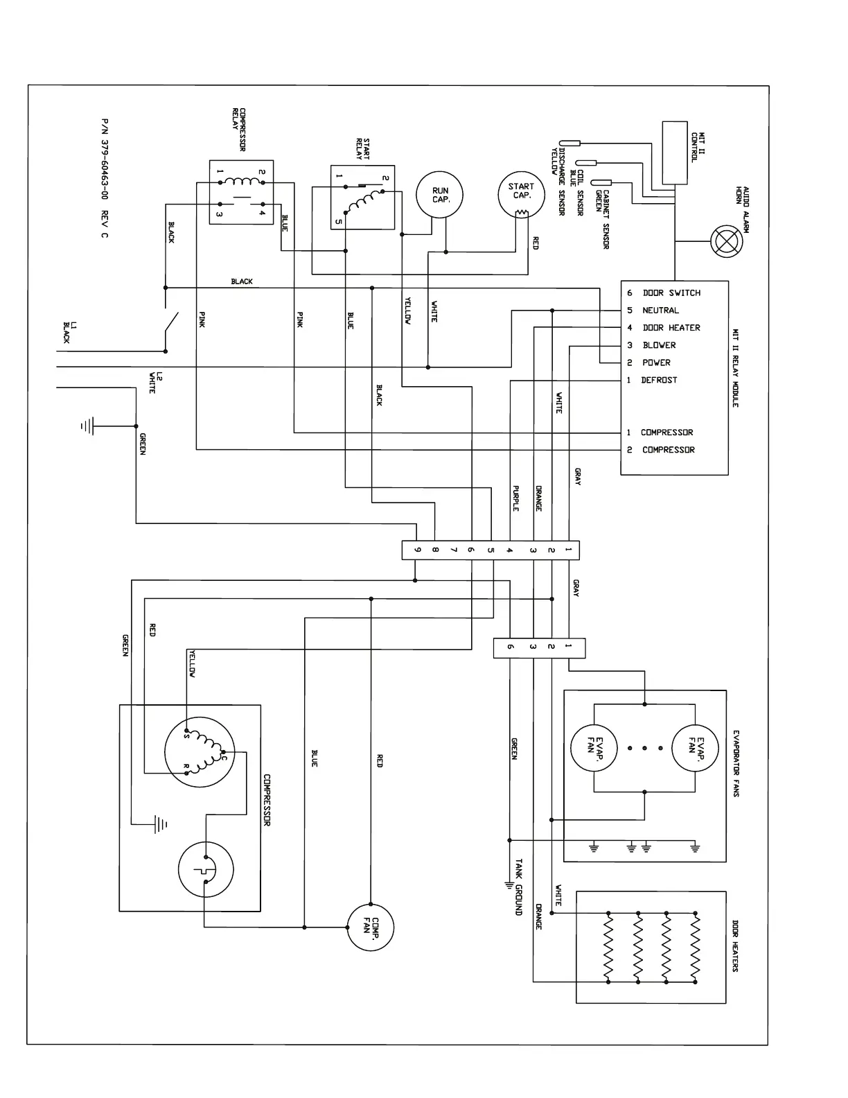
VIII. WIRING DIAGRAM
Note: Refer to the wiring diagram below for any service work performed by a qualied technician.

Bekijk gratis de handleiding van Vulcan VSC60, stel vragen en lees de antwoorden op veelvoorkomende problemen, of gebruik onze assistent om sneller informatie in de handleiding te vinden of uitleg te krijgen over specifieke functies.

Productinformatie

MerkVulcan
ModelVSC60
CategorieNiet gecategoriseerd
TaalNederlands
Grootte3100 MB