Vocopro CDG X-3 Mark II handleiding
Handleiding
Je bekijkt pagina 19 van 24

(REAR PANEL)
PARTS AND FUNCTIONS
PARTS AND FUNCTIONS
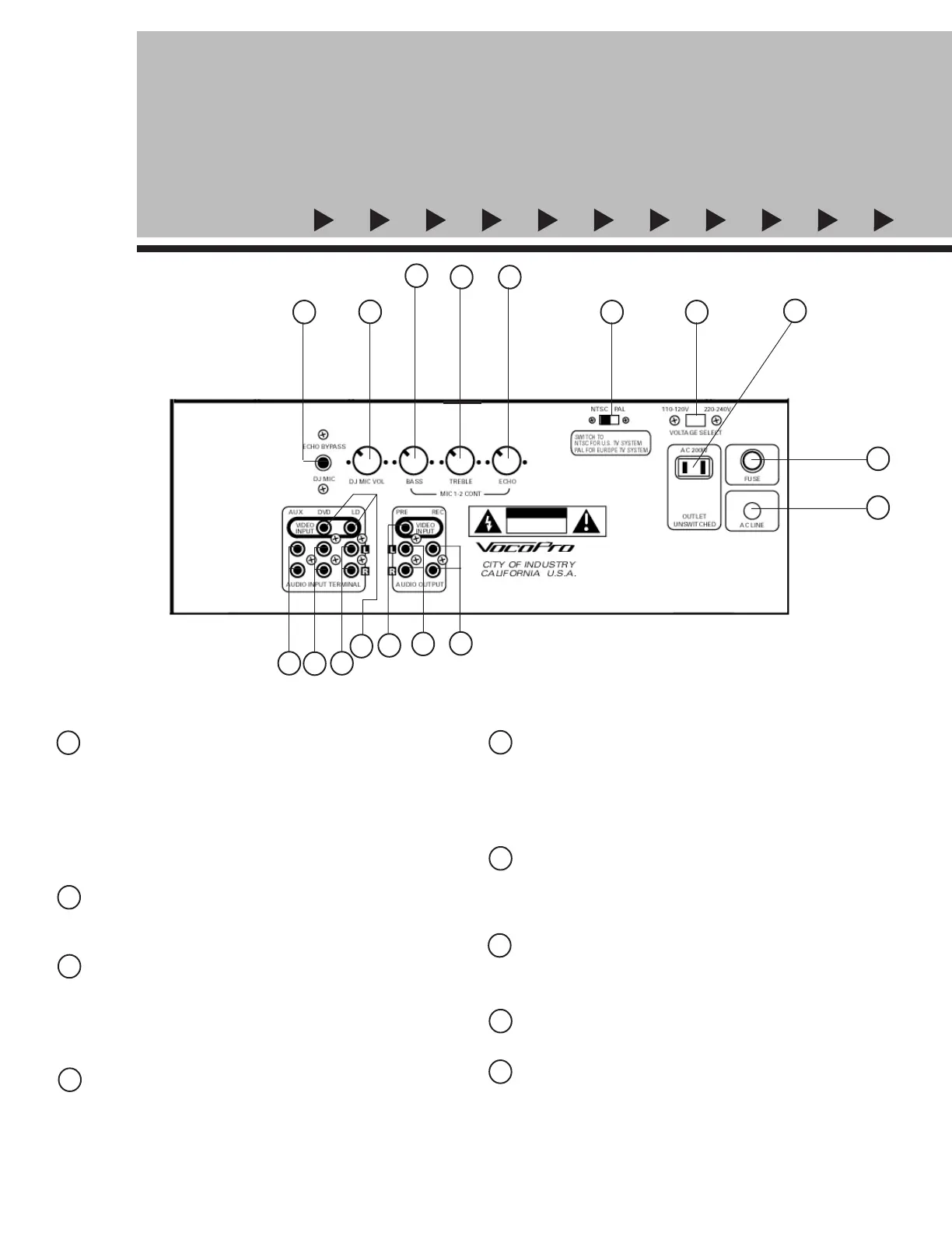
REAR PANEL
11
10
15
3
4 5
2
6 71
9
10
8
1416
12
13
15
7
VOLTAGE SELECTOR SWITCH: This switch is used to
select the voltage setting according to country. For use in the
U.S. the voltage selector should be set to 110v-120v and
220v-240v in Europe.
6
NTSC/PAL SELECTOR SWITCH: This switch is used to
select the NTSC/PAL setting according to country. For U.S.
televisions systems it should be set to NTSC and for
European television systems the selector should be set to
PAL.
8
200W AC OUTLET: This outlet can be used to connect
another component providing it does not exceed 200 watts
maximum power consumption.
FUSE: IMPORTANT! If the fuse blows out it’s a good
indication that there may be a short in the system.
DO NOT REPLACE THE FUSE! Doing so could possibly
cause additional damage to the unit. Take your
CDG X-3 Mark II to an authorized repair facility.
9
5
ECHO CONTROL FOR MIC-1 AND MIC-2: This
controls the amount ECHO microphones 1 and 2 will
receive. Turn clockwise to increase echo and counterclock-
wise to decrease echo. (See “USING EFFECTS AND
CHANGING THE KEY”, Adding Effects (Delay/Echo)
To The Vocal Signal )
1
3RD MICROPHONE/DJ/KJ INPUT JACK: This microphone
input “bypasses” the echo feature and the bass
and treble tones are “preset”. Therefore it is considered
to produce a “dry” signal and there are no separate bass
or treble controls. It is best used for announcements by
the host or hostess. The volume control for the 3rd
microphone input is located just to the right of the input jack.
(See #5, of the “REAR PANEL” diagram).
2
3RD MICROPHONE INPUT VOLUME CONTROL: This
controls the volume for the 3rd microphone input. Turn
clockwise to increase volume, counterclockwise to decrease.
4
TREBLE CONTROL FOR MIC-1 AND MIC-2: This
controls the amount TREBLE tone microphones 1 and 2 will
receive. Turn clockwise to increase TREBLE tone and coun-
terclockwise to decrease the treble tone. (See “USING EF-
FECTS AND CHANGING THE KEY”, Adding Bass or
Treble To The Vocals)
3
BASS CONTROL FOR MIC-1 AND MIC-2: This
controls the amount BASS tone microphones 1 and 2 will
receive. Turn clockwise to increase bass tone and counter-
clockwise to decrease the bass tone. (See “USING EFFECTS
AND CHANGING THE KEY”, Adding Bass or Treble To The
Vocals)
Bekijk gratis de handleiding van Vocopro CDG X-3 Mark II, stel vragen en lees de antwoorden op veelvoorkomende problemen, of gebruik onze assistent om sneller informatie in de handleiding te vinden of uitleg te krijgen over specifieke functies.
Productinformatie
| Merk | Vocopro |
| Model | CDG X-3 Mark II |
| Categorie | Niet gecategoriseerd |
| Taal | Nederlands |
| Grootte | 1927 MB |







