Handleiding
Je bekijkt pagina 94 van 260

MK VIVAX
23
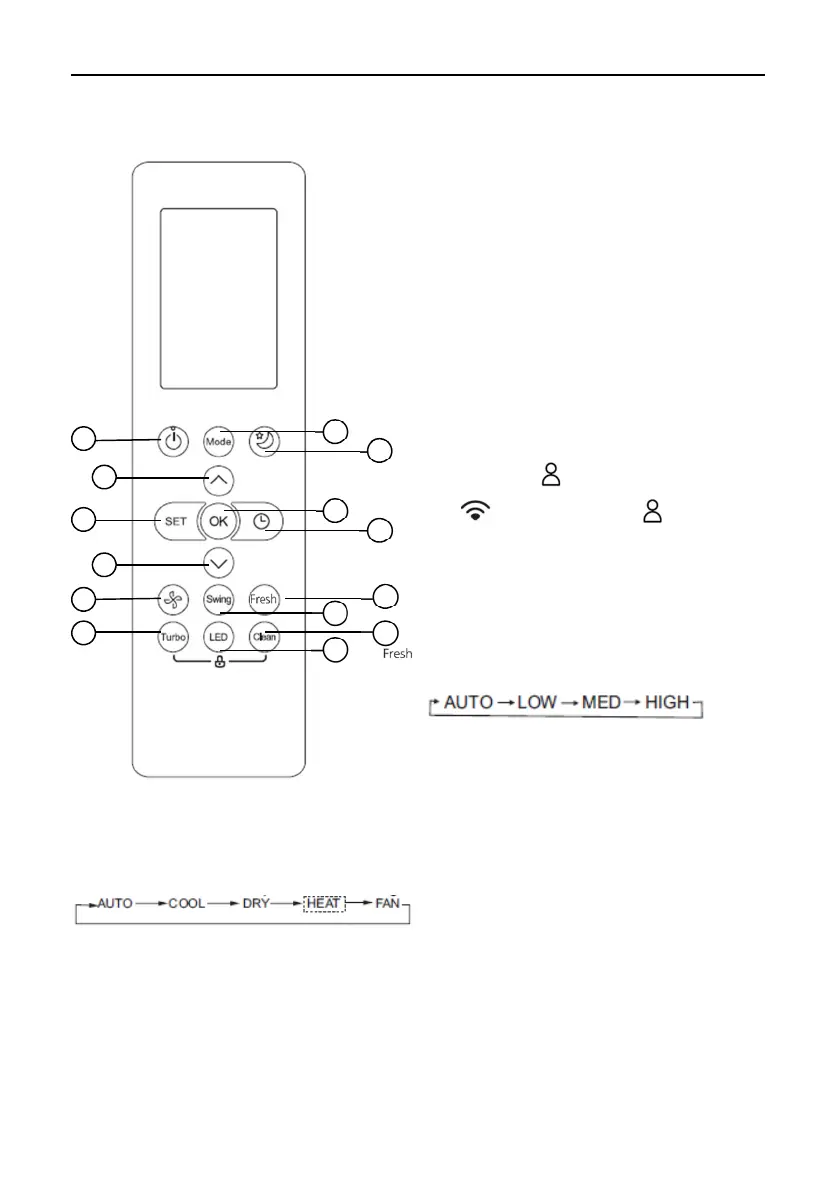
Копчиња за функции
1.ON/OFF копче
Работата почнува кога ќе се
допре ова копче и запира кога
повторно ќе го допрете ова копче.
2. TEMP ▲ / ▼ копче
Зголемување на температура во
чекори од 1°C. Максимална
температура е 30°C.
3. SET копче
Се поместува низ работните
функции како што следи:
Следење ( ) AP режим
( ) Следење ( ).
Избраниот симбол ќе трепка на
екранот, допрете на копчето OK
да потврдите.
4.FAN SPEED
Избира брзина на вентилатор по
следниот редослед:
5. TURBO копче
Овозможува уредот да ја достигне
претходно дотераната температура во најкус можен рок.
6. MODE копче
Секогаш кога ќе допрете на копчето, режимот за работа е избран во
следната секвенца:
Забелешка: Режимот за топлење не е поддржан од уред за
ладење.
7. SLEEP копче
Заштедува енергија за време на спиење.
5
4
2
3
2
1
6
7
8
9
10
11
12
13
Bekijk gratis de handleiding van Vivax ACP-18CH50AERI+ R32, stel vragen en lees de antwoorden op veelvoorkomende problemen, of gebruik onze assistent om sneller informatie in de handleiding te vinden of uitleg te krijgen over specifieke functies.
Productinformatie
| Merk | Vivax |
| Model | ACP-18CH50AERI+ R32 |
| Categorie | Airco |
| Taal | Nederlands |
| Grootte | 30944 MB |





