Vimar RS05 handleiding
Handleiding
Je bekijkt pagina 8 van 32

6
RX
+-CNCNA
+-
+
COM
STPA
-
-
TX
RX1
+-CNCN
A+
-
RX2
+-CNCNA
+-
+
COM
FOTO
-
-
TX1 TX2
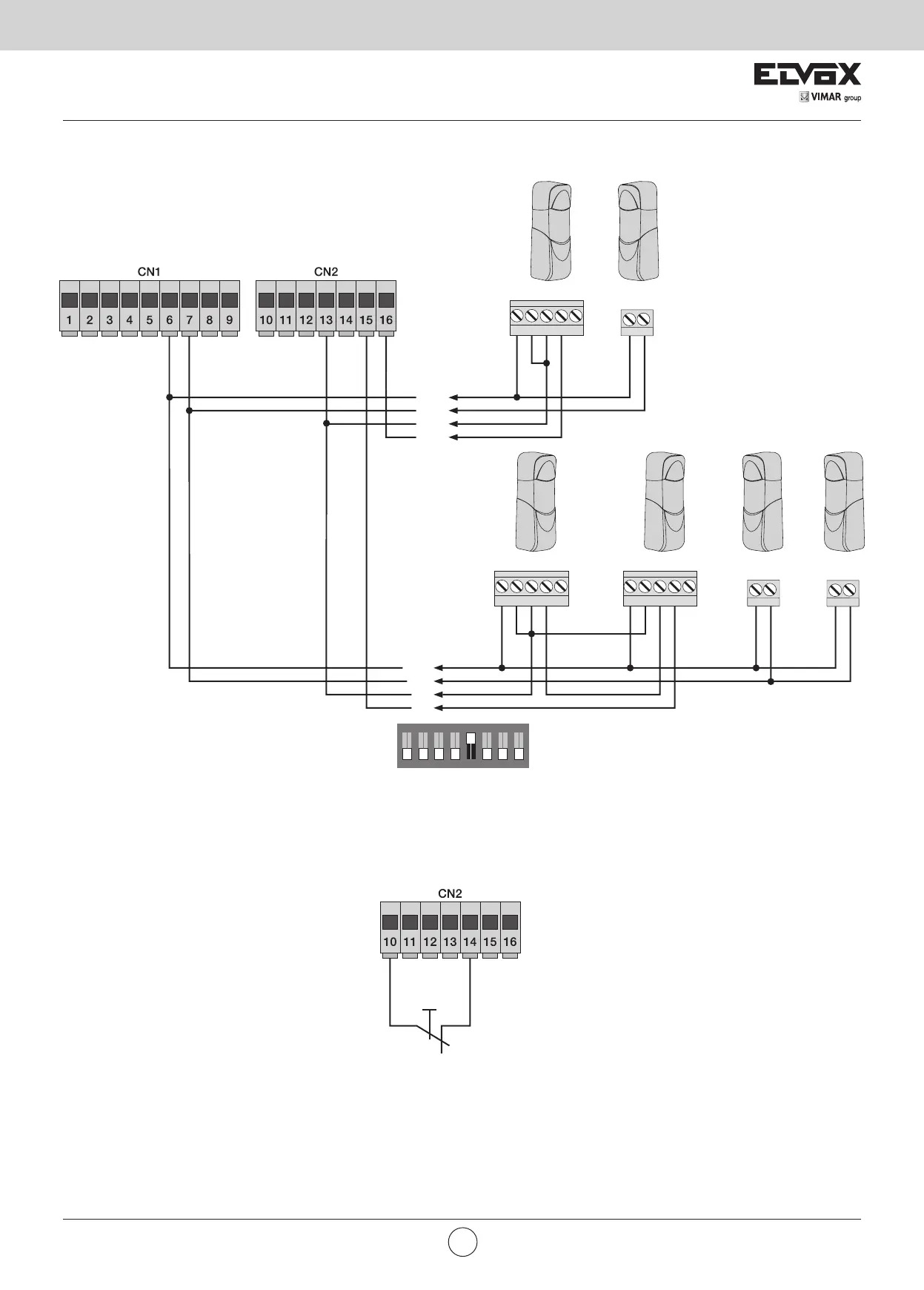
4.6.2 Collegamento fotocellule con funzione fototest attiva
Nel caso venga attivata la funzione fototest (la centrale verifica il funzionamento delle fotocellule, vedi dip switch 5 in ON), rispettare il seguente colle-
gamento (a ogni partenza del motore la centrale toglie l’alimentazione al trasmettitore della fotocellula per verificare il loro funzionamento):
Collegamento pulsante di arresto, contatto normalmente chiuso, l’apertura del contatto provoca l’arresto del cancello e la sospensione del tempo di
richiusura automatica (a pulsante non impegnato il LED STOP deve essere acceso), se non utilizzato fare un ponticello tra COM e STOP
4.7 Collegamento pulsante di arresto
N.B.: se nell’impianto non sono presenti le fotocellule, bordi sensibili o pulsanti di arresto (gli ingressi FOTO, STPA e STOP devono essere pon-
ticellati con il comune, morsetto 13), non attivare la funzione di fototest.
STPA come
fotocellula interna
Pulsante normalmente
chiuso
Fig. 10
Fig. 11
ON
1 2
ON
1 2
ON
1 2 3 4 5 6 7 8
ON
1 2 3 4 5 6 7 8
ON
1
2 3 4 5 6 7 8
1
2
3
4
5
ON
1 2 3 4 5 6 7 8
6
IT
Bekijk gratis de handleiding van Vimar RS05, stel vragen en lees de antwoorden op veelvoorkomende problemen, of gebruik onze assistent om sneller informatie in de handleiding te vinden of uitleg te krijgen over specifieke functies.
Productinformatie
Merk | Vimar |
Model | RS05 |
Categorie | Niet gecategoriseerd |
Taal | Nederlands |
Grootte | 2892 MB |