Vimar ELVOX 88T1 handleiding
Handleiding
Je bekijkt pagina 5 van 16

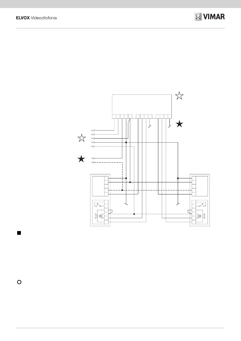
Sistema di chiamata tradizionale 15V c.a. con alimentatore Art. 831, Art. 881, Art. 838
Collegamento targhe con commutatore Art. 839/302 e posti esterni Art. 930A.
Conventional 15 Vac call system with 831, 881, 838 power supply units.
Entrance panels connected to 839/302 switching module and 930A speech units.
Système d’appel traditionnel 15V c.a. avec alimentateur Art. 831, Art. 881, Art. 838
Raccordement plaques avec commutateur Art. 839/302 et postes externes Art. 930A.
Traditionelles Rufsystem 15V AC mit Netzgerät Art. 831, Art. 881, Art. 838
Anschluss Tableaus mit Umschalter Art. 839/302 und Außensprechstellen Art. 930A.
Sistema de llamada tradicional 15V c.a. con alimentador Art. 831, Art. 881, Art. 838.
Conexionado placas con conmutador Art. 839/302 y aparatos externos Art. 930A.
Sistema de chamada tradicional 15 V c.a. com alimentador Art. 831, 881, 838
Ligação das botoneiras com o comutador Art. 839/302 e postos externos Art. 930A.
4
8
6
7
5
B
P1
3
C
-
D
+
6
7
8
-
+
8
7
D
3
5
6
4
B
C
P1
+
-
7
CH
123 8845 7P1 9P27 9
A
A
Collegare:
Al morsetto “0” degli alimentatori Art. 831-881.
Al morsetto “15” degli alimentatori Art. 838.
Collegare:
Al morsetto “15” degli alimentatori Art. 831-881.
Al morsetto “0” degli alimentatori Art. 838.
Connect:
To terminal “0” of 831-881 power supply units.
To terminal “15” of 838 power supply units.
Connect:
To terminal “15” of 831-881 power supply units.
To terminal “0” of 838 power supply units.
Raccorder:
À la borne “0” des alimentateurs Art. 831-881.
À la borne “15” des alimentateurs Art. 838.
Raccorder:
À la borne “15” des alimentateurs Art. 831-881.
À la borne “0” des alimentateurs Art. 838.
Anschließen:
An der Klemme “0” der Netzgeräte Art. 831-881.
An der Klemme“15” der Netzgeräte Art. 838.
Anschließen:
An der Klemme“15” der Netzgeräte Art. 831-881.
An der Klemme“0” der Netzgeräte Art. 838.
C- Commutatore
Switching module
Commutateur
Umschalter
Conmutador
Comutador
Art. 839/302
B- Posto esterno Art. 930A
Art. 930A speech unit
Poste externe Art. 930A
Außenstelle Art. 930A
Aparato externo Art. 930A
Posto externo Art. 930A
A- Targa Art. 88T1
88T1 entrance panel
Plaque Art. 88T1
Tableau Art. 88T1
Placa Art. 88T1
Botoneira Art. 88T1
Conexionar :
Al borne “ 0 ” de los alimentadores Art. 831-881.
Al borne “ 15 ” de los alimentadores Art. 838.
O Conexionar :
Al borne “ 15 ” de los alimentadores Art. 831-881.
Al borne “ 0 ” de los alimentadores Art. 838.
Ligar:
Ao borne “15” dos alimentadores Art. 831-881.
Ao borne “0” dos alimentadores Art. 838.
Ligar:
Ao borne “0” dos alimentadores Art. 831-881.
Ao borne “15” dos alimentadores Art. 838.
C
All’alimentatore
To power supply unit
Vers l’alimentateur
Am Netzgerät
Hacia el alimentador
Para o alimentador
Al citofono
To interphone
Vers le poste d’appartement
An der Sprechanlage
Hacia el interfono
Para o telefone
5
88T1
Bekijk gratis de handleiding van Vimar ELVOX 88T1, stel vragen en lees de antwoorden op veelvoorkomende problemen, of gebruik onze assistent om sneller informatie in de handleiding te vinden of uitleg te krijgen over specifieke functies.
Productinformatie
| Merk | Vimar |
| Model | ELVOX 88T1 |
| Categorie | Niet gecategoriseerd |
| Taal | Nederlands |
| Grootte | 2144 MB |







