Vevor RC-16 handleiding

160 pagina's
PDF beschikbaar

Handleiding

Je bekijkt pagina 32 van 160
dix
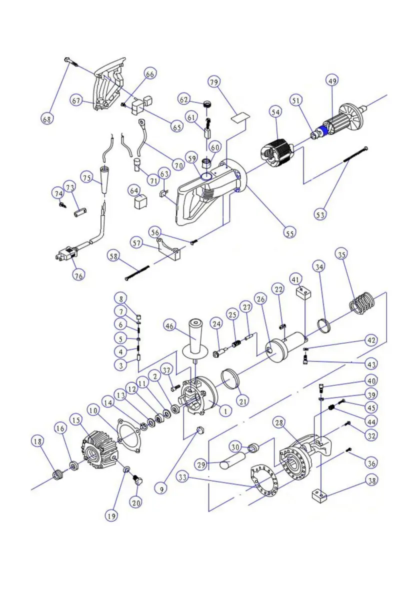
Listedespiècesducoupeurdebarresd'armatureportableRC16
Machine Translated by Google

Bekijk gratis de handleiding van Vevor RC-16, stel vragen en lees de antwoorden op veelvoorkomende problemen, of gebruik onze assistent om sneller informatie in de handleiding te vinden of uitleg te krijgen over specifieke functies.

Productinformatie

MerkVevor
ModelRC-16
CategorieNiet gecategoriseerd
TaalNederlands
Grootte22933 MB