Vevor FM-12 handleiding

128 pagina's
PDF beschikbaar

Handleiding

Je bekijkt pagina 62 van 128
FM-12
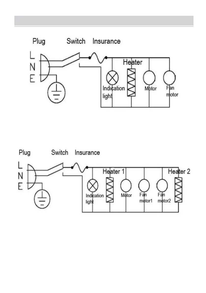
Modello FM-11B
SCHEMA ELETTRICO
- 13 -
Machine Translated by Google

Bekijk gratis de handleiding van Vevor FM-12, stel vragen en lees de antwoorden op veelvoorkomende problemen, of gebruik onze assistent om sneller informatie in de handleiding te vinden of uitleg te krijgen over specifieke functies.

Productinformatie

MerkVevor
ModelFM-12
CategorieNiet gecategoriseerd
TaalNederlands
Grootte17187 MB