Vevor FM-01C handleiding

128 pagina's
PDF beschikbaar

Handleiding

Je bekijkt pagina 47 van 128
NEIN.
2
1
3
Bürste
Handbuch
Maschine
Artikel
Menge 1 Satz
Bemerkung
5 Stck.
1 Stck.
Packliste
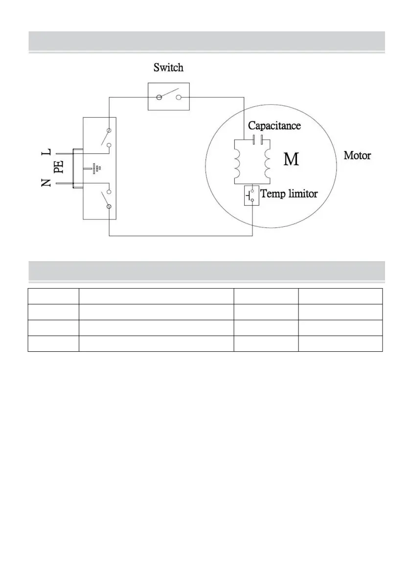
SCHALTBILD
- 14 -
Machine Translated by Google

Bekijk gratis de handleiding van Vevor FM-01C, stel vragen en lees de antwoorden op veelvoorkomende problemen, of gebruik onze assistent om sneller informatie in de handleiding te vinden of uitleg te krijgen over specifieke functies.

Productinformatie

MerkVevor
ModelFM-01C
CategorieNiet gecategoriseerd
TaalNederlands
Grootte15045 MB