Vevor FM-01B handleiding

128 pagina's
PDF beschikbaar

Handleiding

Je bekijkt pagina 95 van 128
Podręcznik
1
2
3
Maszyna
NIE.
Szczotka
Przedmiot
Ilość
1 zestaw
1 szt.
Uwaga
5 szt.
Lista rzeczy do spakowania
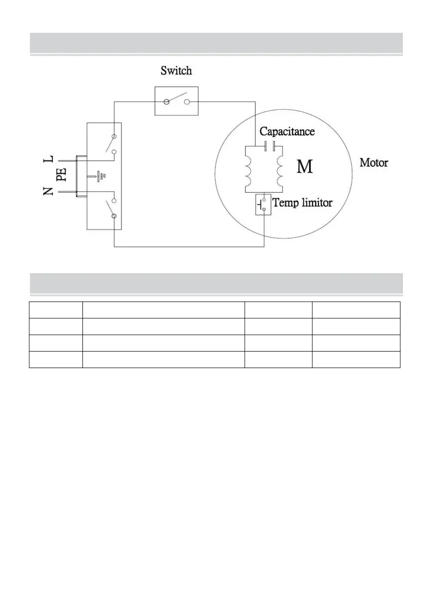
SCHEMAT OBWODÓW
- 14 -
Machine Translated by Google

Bekijk gratis de handleiding van Vevor FM-01B, stel vragen en lees de antwoorden op veelvoorkomende problemen, of gebruik onze assistent om sneller informatie in de handleiding te vinden of uitleg te krijgen over specifieke functies.

Productinformatie

MerkVevor
ModelFM-01B
CategorieNiet gecategoriseerd
TaalNederlands
Grootte15045 MB