Vevor FM-01B handleiding

128 pagina's
PDF beschikbaar

Handleiding

Je bekijkt pagina 63 van 128
NO.
2
Manuale
5 pezzi
Spazzola
1
Macchina
Articolo
1 pz
3
Osservazione
Quantità 1 set
Lista imballaggio
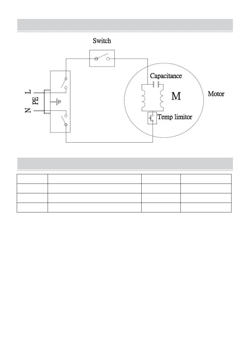
SCHEMA ELETTRICO
- 14 -
Machine Translated by Google

Bekijk gratis de handleiding van Vevor FM-01B, stel vragen en lees de antwoorden op veelvoorkomende problemen, of gebruik onze assistent om sneller informatie in de handleiding te vinden of uitleg te krijgen over specifieke functies.

Productinformatie

MerkVevor
ModelFM-01B
CategorieNiet gecategoriseerd
TaalNederlands
Grootte15045 MB