Handleiding
Je bekijkt pagina 148 van 181

- 9 -
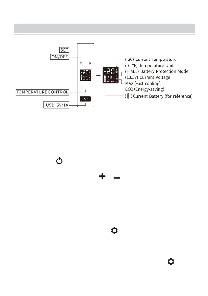
Function and operation
· Voeding: sluit aan op een DC 12V/24V of AC 100-240V-voeding (met
behulp van een speciale adapter).
· Initialisatie van het display: sluit het apparaat aan op de voeding, de
zoemer laat een lange pieptoon horen en het display blijft twee seconden
aan, waarna het apparaat in de normale bedrijfsmodus gaat.
· AAN/UIT: druk om AAN/UIT te schakelen.
· Temperatuurinstelling: druk op of voor temperatuurinstelling, de
instelling wordt opgeslagen automatisch na drie seconden te hebben
gestopt met werken.Let op: de weergegeven temperatuur is de huidige
temperatuur van het compartiment, het duurt even voordat de ingestelde
temperatuur bereikt is.
Temperatuurinstellingsbereik: -20~20 ℃ (-4~68 ℉ )
· Koelmodus: druk in de actieve stand om te schakelen tussen MAX
(snel koelen) en ECO (energiebesparende modus). (*De fabrieksinstelling
is MAX.)
· Batterijbeschermingsmodus: druk tijdens de actieve status drie
Bekijk gratis de handleiding van Vevor CX50, stel vragen en lees de antwoorden op veelvoorkomende problemen, of gebruik onze assistent om sneller informatie in de handleiding te vinden of uitleg te krijgen over specifieke functies.
Productinformatie
| Merk | Vevor |
| Model | CX50 |
| Categorie | Koelkast |
| Taal | Nederlands |
| Grootte | 18969 MB |







