Vevor BY1020 handleiding
Handleiding
Je bekijkt pagina 6 van 64

- 5 -
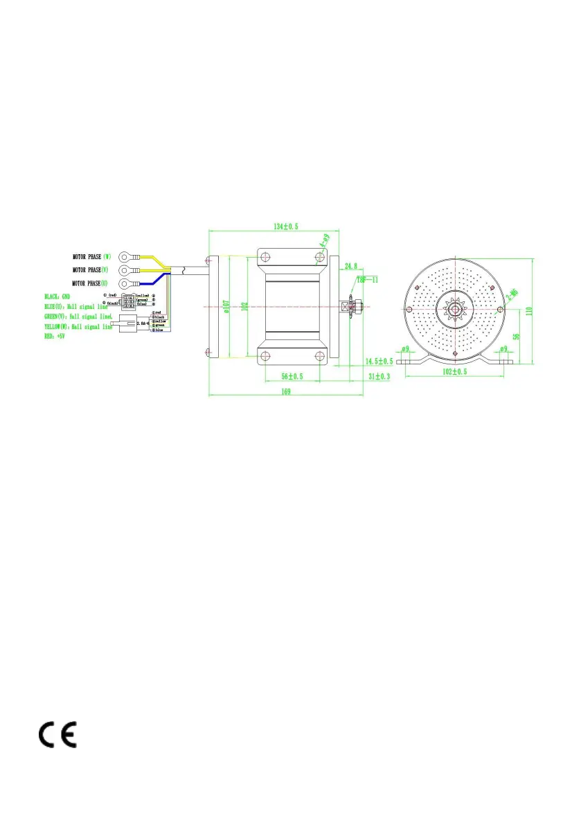
Importance:
All you buy is the motor, you need to match 60V3000W brushless controller, 120°
square wave controller.
Match control It is possible that the motor phase is incorrect, you need to contact
your controller supplier, how to choose the correct motor phase.
Instructions for other functions
COMMON PROBLEMS AND REMEDIES
Phenomenon:
The electronic lock must be opened, When the electronic lock is opened, the
throttle is turned and the motor does not work
Reason:
Battery The battery is too low and does not reach the required operating voltage
Solution:
1. Charging ;
2. Select a battery with the corresponding operating voltage ;
3. Check whether each plug-in is connected correctly and whether the connected
terminals are connected reliably, so as to avoid failure to work normally due to
incorrect connection or poor contact.
Comply with the European security certification.
Bekijk gratis de handleiding van Vevor BY1020, stel vragen en lees de antwoorden op veelvoorkomende problemen, of gebruik onze assistent om sneller informatie in de handleiding te vinden of uitleg te krijgen over specifieke functies.
Productinformatie
| Merk | Vevor |
| Model | BY1020 |
| Categorie | Niet gecategoriseerd |
| Taal | Nederlands |
| Grootte | 8754 MB |







