Vevor BY1020 handleiding
Handleiding
Je bekijkt pagina 22 van 64

Grund:
Batterie Die Batterie ist zu schwach und erreicht nicht die erforderliche Betriebsspannung
Gashebel wird gedreht und der Motor läuft nicht
1. Laden; 2.
Wählen Sie eine Batterie mit der entsprechenden Betriebsspannung; 3.
Überprüfen Sie, ob jeder Stecker richtig angeschlossen ist und ob die angeschlossenen Anschlüsse
zuverlässig verbunden sind, um Funktionsstörungen aufgrund falscher Anschlüsse oder schlechten
Kontakts zu vermeiden.
Phänomen:
Das elektronische Schloss muss geöffnet werden. Wenn das elektronische Schloss geöffnet wird,
Steuerung anpassen Es ist möglich, dass die Motorphase falsch ist. Wenden Sie sich an den Lieferanten
Ihrer Steuerung, um die richtige Motorphase auszuwählen.
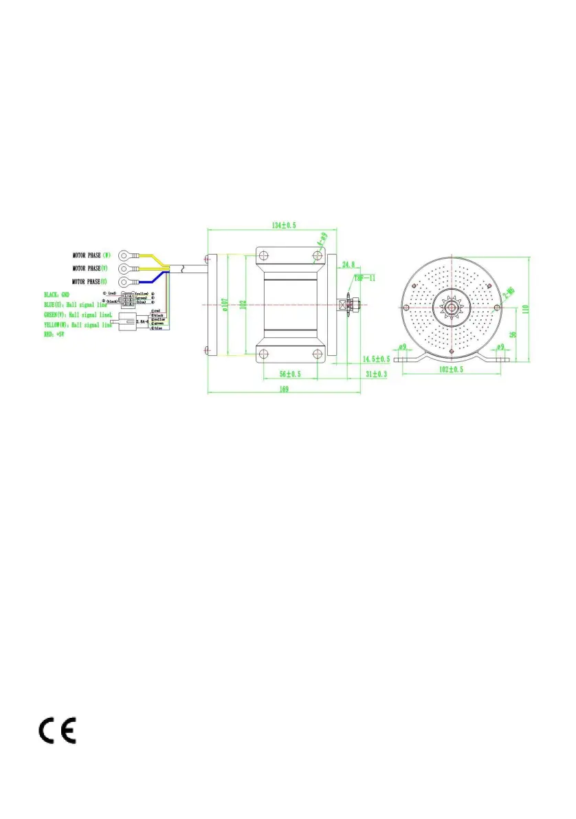
Sie kaufen nur den Motor, den Sie mit einem passenden bürstenlosen 60-V-3000-W-Controller und einem 120°-
Rechteckwellen-Controller kombinieren.
Entsprechen Sie der europäischen Sicherheitszertifizierung.
Lösung:
Hinweise zu weiteren Funktionen
Bedeutung:
HÄUFIGE PROBLEME UND ABHILFEN
- 5 -
Machine Translated by Google
Bekijk gratis de handleiding van Vevor BY1020, stel vragen en lees de antwoorden op veelvoorkomende problemen, of gebruik onze assistent om sneller informatie in de handleiding te vinden of uitleg te krijgen over specifieke functies.
Productinformatie
| Merk | Vevor |
| Model | BY1020 |
| Categorie | Niet gecategoriseerd |
| Taal | Nederlands |
| Grootte | 8754 MB |







