Vevor BGB-1 handleiding

48 pagina's
PDF beschikbaar

Handleiding

Je bekijkt pagina 47 van 48
7
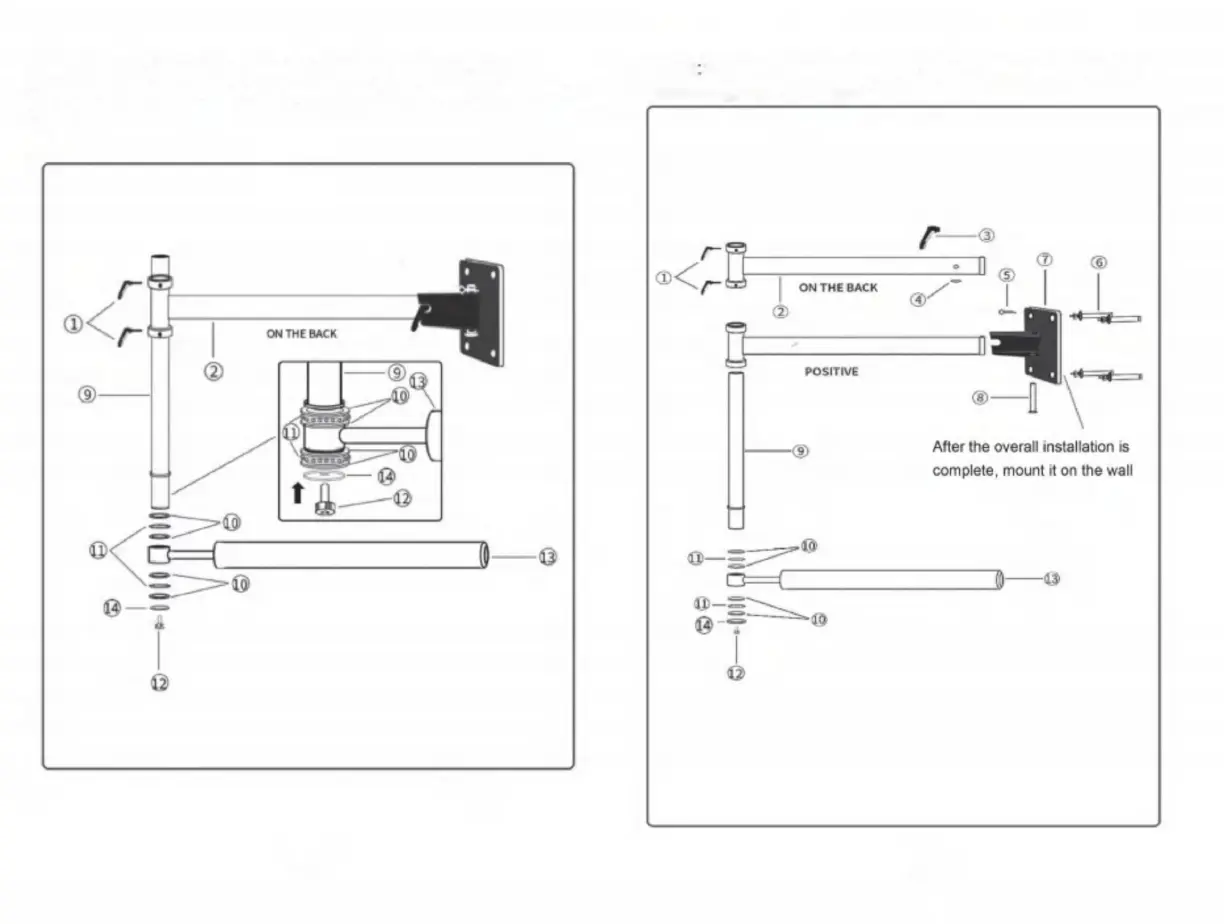
Steg 4 Efter att den övergripande installationen är klar enligt ritningen, fäst den väggen
Steg 3: Fäst spaken fästet enligt ritningsinstallationen och installera sedan
reaktionsstaven och reaktionskulan spaken
8
Machine Translated by Google

Bekijk gratis de handleiding van Vevor BGB-1, stel vragen en lees de antwoorden op veelvoorkomende problemen, of gebruik onze assistent om sneller informatie in de handleiding te vinden of uitleg te krijgen over specifieke functies.

Productinformatie

MerkVevor
ModelBGB-1
CategorieNiet gecategoriseerd
TaalNederlands
Grootte12927 MB