Vevor B1 handleiding

192 pagina's
PDF beschikbaar

Handleiding

Je bekijkt pagina 22 van 192
- 21 -
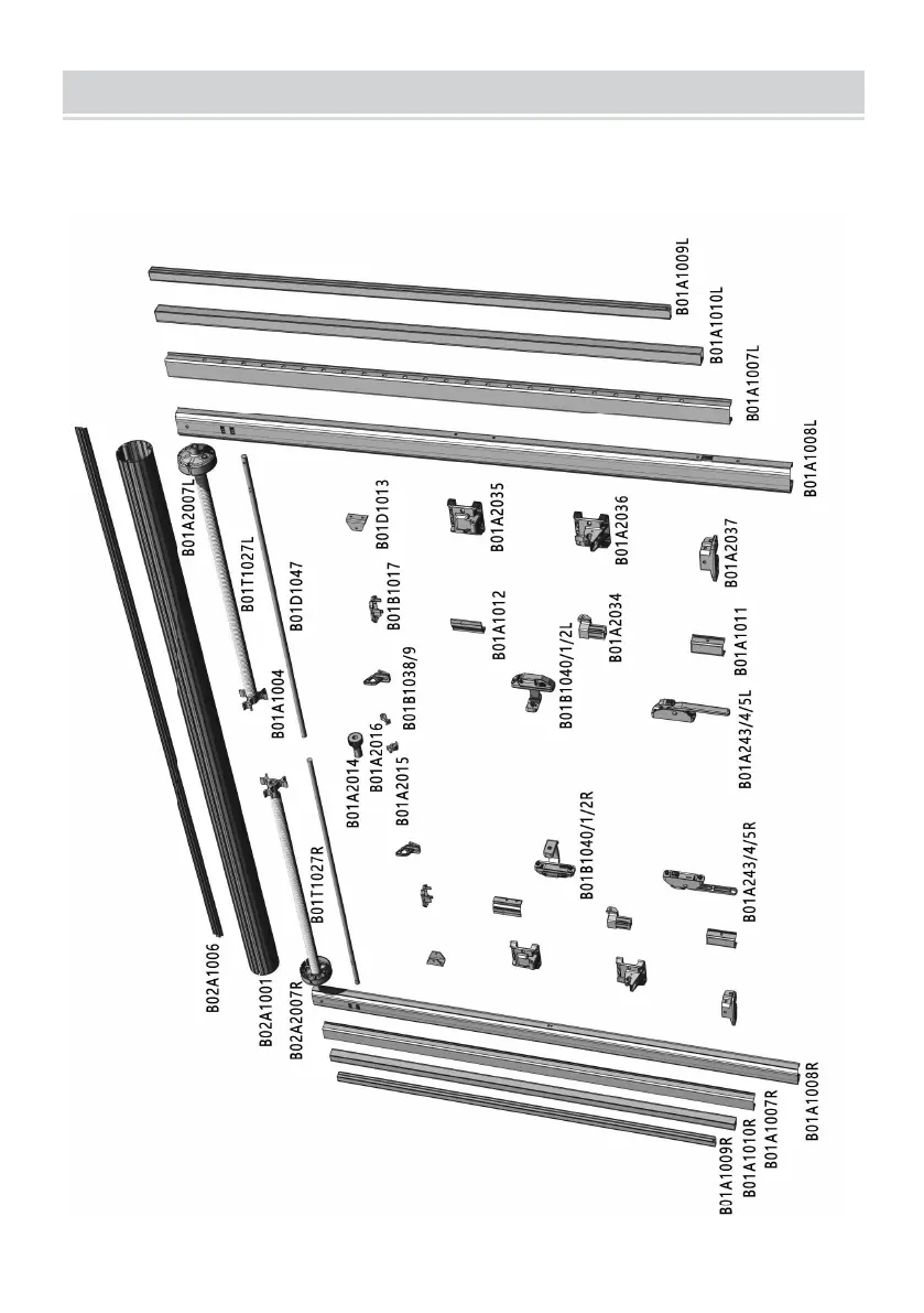
PRODUCT STRUCTURE DIAGRAM
some products may have adjustments and will not be listed (Figure
G1)

Bekijk gratis de handleiding van Vevor B1, stel vragen en lees de antwoorden op veelvoorkomende problemen, of gebruik onze assistent om sneller informatie in de handleiding te vinden of uitleg te krijgen over specifieke functies.

Productinformatie

MerkVevor
ModelB1
CategorieNiet gecategoriseerd
TaalNederlands
Grootte27203 MB