Vevor APD40 handleiding

104 pagina's
PDF beschikbaar

Handleiding

Je bekijkt pagina 10 van 104
- 9 -
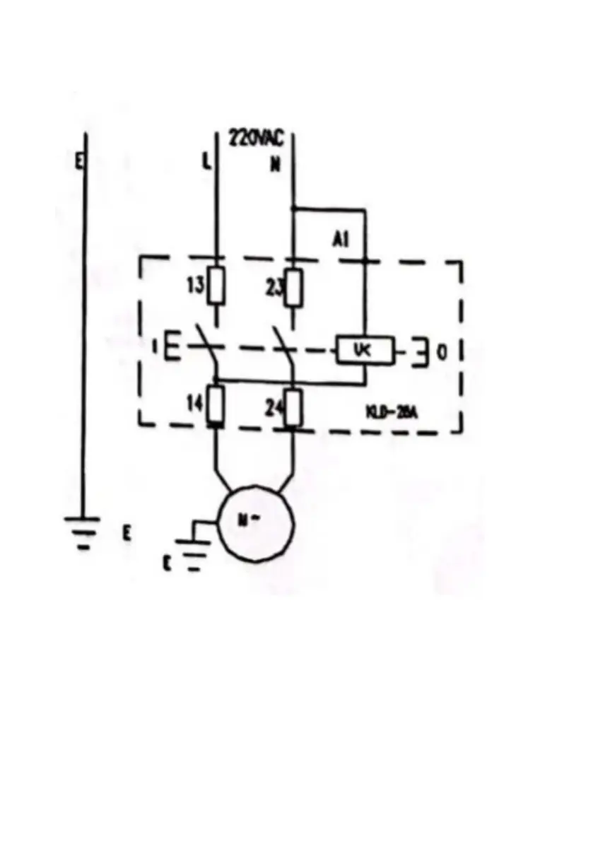
6.Electrical diagram
KLD:Switch M:Motor
FA: Thermo-protection of the engine

Bekijk gratis de handleiding van Vevor APD40, stel vragen en lees de antwoorden op veelvoorkomende problemen, of gebruik onze assistent om sneller informatie in de handleiding te vinden of uitleg te krijgen over specifieke functies.

Productinformatie

MerkVevor
ModelAPD40
CategorieNiet gecategoriseerd
TaalNederlands
Grootte14430 MB