Vevor 1205-117 handleiding

64 pagina's
PDF beschikbaar

Handleiding

Je bekijkt pagina 29 van 64
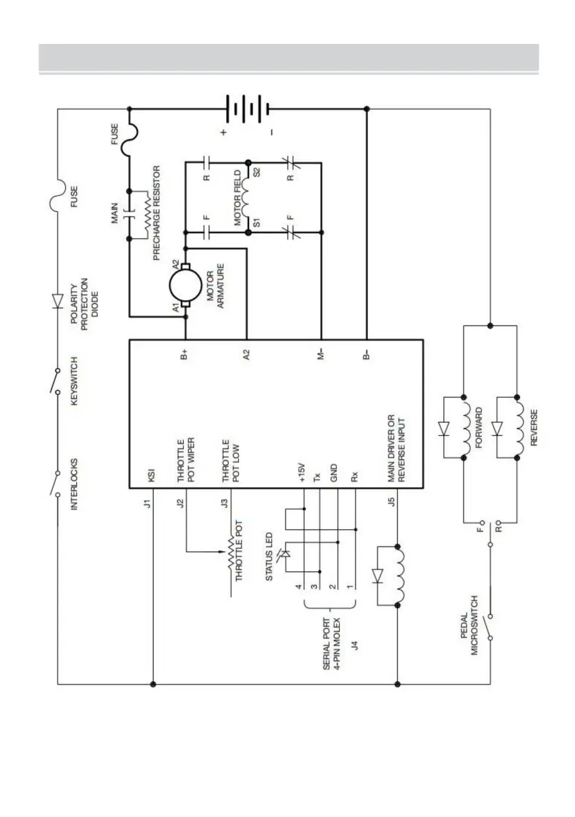
Schema elettrico
- 4 -
Machine Translated by Google

Bekijk gratis de handleiding van Vevor 1205-117, stel vragen en lees de antwoorden op veelvoorkomende problemen, of gebruik onze assistent om sneller informatie in de handleiding te vinden of uitleg te krijgen over specifieke functies.

Productinformatie

MerkVevor
Model1205-117
CategorieNiet gecategoriseerd
TaalNederlands
Grootte6475 MB