Vestil SL-118-AA handleiding

35 pagina's
PDF beschikbaar

Handleiding

Je bekijkt pagina 25 van 35
PARTS DRAWING & PARTS LIST
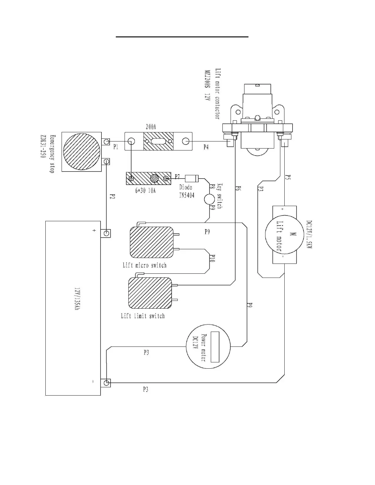
Electric wiring diagram
Copyright 2025 Vestil Manufacturing Company.
Page 25 of 35
SL, MANUAL

Bekijk gratis de handleiding van Vestil SL-118-AA, stel vragen en lees de antwoorden op veelvoorkomende problemen, of gebruik onze assistent om sneller informatie in de handleiding te vinden of uitleg te krijgen over specifieke functies.

Productinformatie

MerkVestil
ModelSL-118-AA
CategorieVorkheftruck
TaalNederlands
Grootte8888 MB

Andere merken in Vorkheftruck