Vestil RDC-100 handleiding
Handleiding
Je bekijkt pagina 5 van 9

Rev.7/17/2018RDC‐100,MANUAL
Copyright2017VestilManufacturingCorp. Page5of9
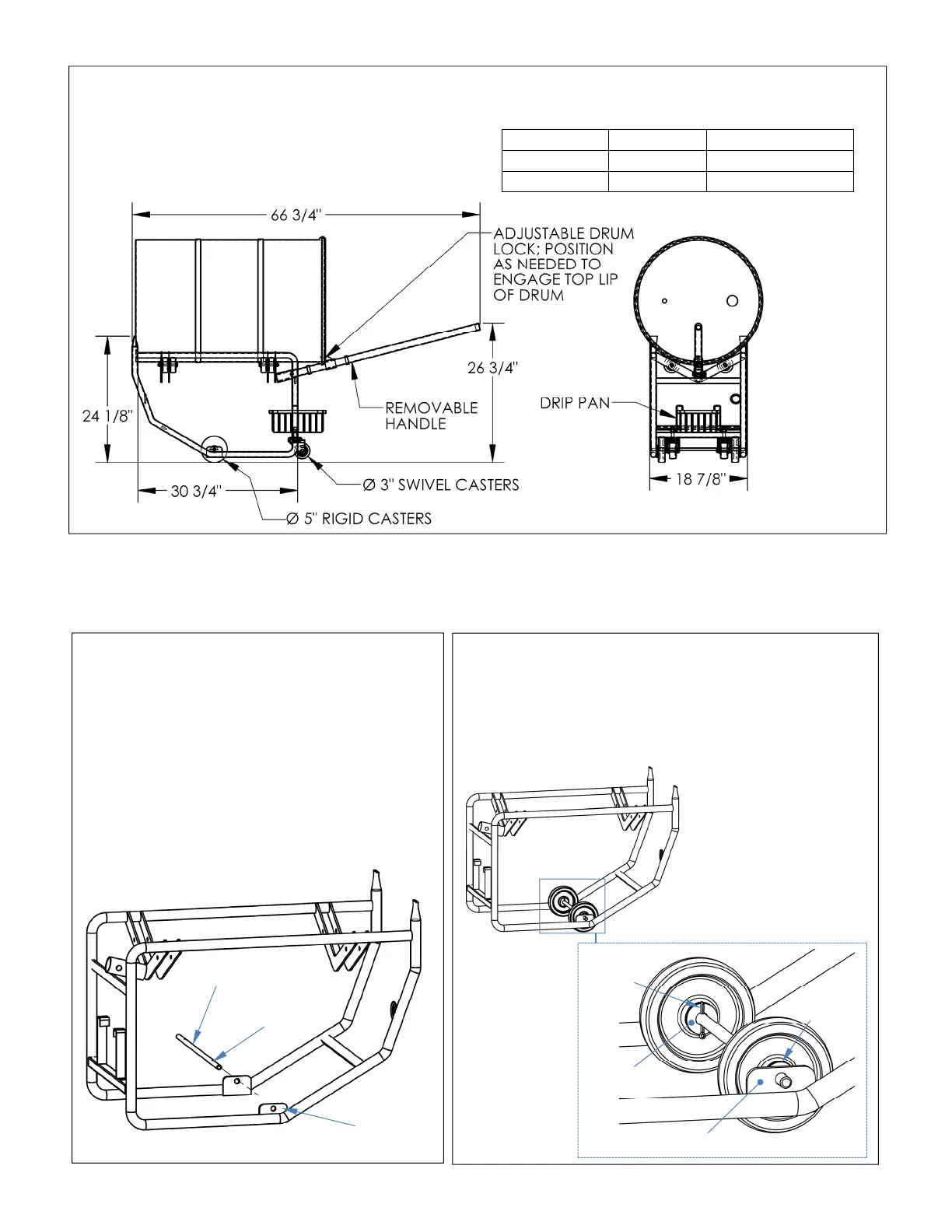
Specifications:
Dimensionsandcapacityinformationappearsinthetableanddiagrams.
Model Capacity Netweight
RDC‐100 600lb. 178.5lb.(81.1kg)
RDC‐100‐10 1,000lb. 178.5lb.(81.1kg)
Assembly:
RDC‐100seriesdrumcartsrequireassemblybeforereadytouse.Numbersinparenthesescorrespondtopart
numbersintheexplodedpartsdiagramsonpages3&4.
2.Inserttheaxlethroughthesecondbracket.Slidethe
wheelstooppositesidesoftheaxle.Thereare2washers
betweenthewheels.Push1ofthewashersagainsteach
wheel.Insertcotterpins(65078)throughthepinholesin
theaxle.Bendtheendsofthecotterpinsaroundthe
axle.
1.Inserttheaxlethroughonebracket.Before
insertingitthroughtheotherbracket,slidethe
followingitemsontotheaxle:
a.1flatwasher(33012);
b.Awheel(16‐132‐066);
c.2moreflatwashers(33012);
d.Anotherwheel(16‐132‐066);and
e.1moreflatwasher.
Axle
Holefor
cotte
r pin
Flat
washer
Cotter
pin
Bracket
Bracket
Flat
washer
Bekijk gratis de handleiding van Vestil RDC-100, stel vragen en lees de antwoorden op veelvoorkomende problemen, of gebruik onze assistent om sneller informatie in de handleiding te vinden of uitleg te krijgen over specifieke functies.
Productinformatie
Merk | Vestil |
Model | RDC-100 |
Categorie | Niet gecategoriseerd |
Taal | Nederlands |
Grootte | 2798 MB |