Vestil LLPH-500-FW handleiding
Handleiding
Je bekijkt pagina 22 van 29

Table of Contents Rev. 8/15/2023 LLPH MANUAL
Table of Contents Copyright 2020 Vestil Manufacturing Co. Page 22 of 29
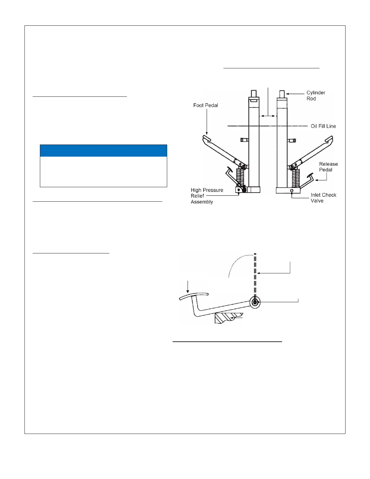
DETAILED TROUBLESHOOTING — HYDRAULIC FOOT PUMP
The following tools are required to resolve the
issues listed above:
5mm hex key wrench
Standard (flat head) screwdriver
Adjustable crescent wrench
Hydraulic Fluid Level Adjustment
1. Remove the fill/breather plug.
2. Hydraulic fluid level should be 2 - 2.5 inches
below the bottom of the fill hole when the
cylinder rod is fully lowered. Do not overfill the
reservoir; if overfilled, oil may leak or seep
around the fill plug.
NOTICE
ONLY use ISO AW-32 anti-wear hydraulic
pump oil. The oil must be clean; strain
the oil, if necessary, before adding it to
the reservoir.
Remove Air Trapped Inside Hydraulic System
1. Pump the foot pedal until the cylinder rod is
fully extended. The small hole near the base of
the rod will pass by the high pressure seal and
air will automatically vent into the reservoir
tube.
Release Pedal Adjustment
1. Loosen the RELEASE PEDAL SCREW
RETAINING NUT. Refer to p. 24.
2. Loosen the release pedal screw: ½ to a
full counterclockwise turn using either a
5mm hex key wrench (Allen wrench) or flat
blade screwdriver.
3. Apply a test weight to the deck; pump
the foot pedal until the deck rises ~2ft; then
press the release pedal down. If the deck
lowers, turn the release pedal screw by
another ½ turn, and repeat step 3. The
deck should not lower when you press the
release pedal.
4. Turn release pedal screw clockwise 1/8
to ¼ turn. repeat step 3. The deck now
should lower; if it does not, turn the screw
clockwise by another 1/8 turn. Repeat this
step until the desired deck-lowering rate is
achieved.
5. Tighten the retaining nut. To prevent the
screw from rotating while tightening the
nut, either hold the screw with your fingers
or insert the 5mm hex key wrench (or flat
blade screwdriver) into the fitting.
Proper Hydraulic Fluid Level
Cleaning Inlet Check Valve Assembly
1. Remove INLET CHECK PORT PLUG with a crescent
wrench. See p. 25.
2. Clean the valve components.
3. While the valve is disassembled, pump the foot
pedal at least 5 times. Fluid will discharge from the
inlet check valve opening, which should dislodge
debris clogging the valve.
4. Reassemble the valve & reconnect the port plug.
5. Add hydraulic fluid as necessary according to the
HYDRAULIC FLUID LEVEL ADJUSTMENT instructions
above.
RELEASE PEDAL ADJUSTMENT
Fill / Breather Plug
Base frame
Release Pedal
Counterclockwise
Rotation
5mm Hex Key Wrench or
Flat Blade Screwdriver
Release Pedal Screw (either
flat head or hex head fitting)
Bekijk gratis de handleiding van Vestil LLPH-500-FW, stel vragen en lees de antwoorden op veelvoorkomende problemen, of gebruik onze assistent om sneller informatie in de handleiding te vinden of uitleg te krijgen over specifieke functies.
Productinformatie
Merk | Vestil |
Model | LLPH-500-FW |
Categorie | Niet gecategoriseerd |
Taal | Nederlands |
Grootte | 11991 MB |