Vestil LAD-14-21-P handleiding

34 pagina's
PDF beschikbaar

Handleiding

Je bekijkt pagina 26 van 34
25
PARTS DRAWING & PARTS LIST
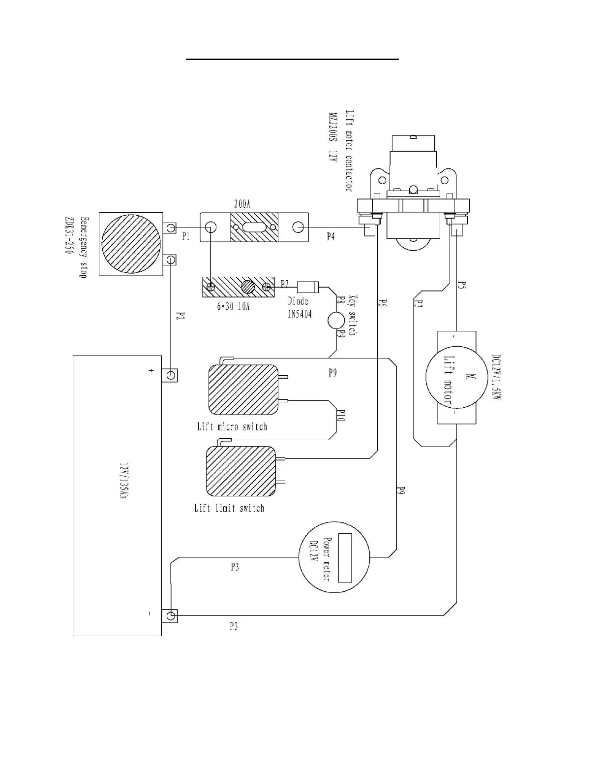
Electric wiring diagram

Bekijk gratis de handleiding van Vestil LAD-14-21-P, stel vragen en lees de antwoorden op veelvoorkomende problemen, of gebruik onze assistent om sneller informatie in de handleiding te vinden of uitleg te krijgen over specifieke functies.

Productinformatie

MerkVestil
ModelLAD-14-21-P
CategorieLadder
TaalNederlands
Grootte8888 MB