Vestil HDC-905-HC handleiding
Handleiding
Je bekijkt pagina 13 van 19

TABLE OF CONTENTS Rev. 1/16/2023 HDC-905 MANUAL
TABLE OF CONTENTS Copyright 2023 Vestil Manufacturing Co. Page 13 of 19
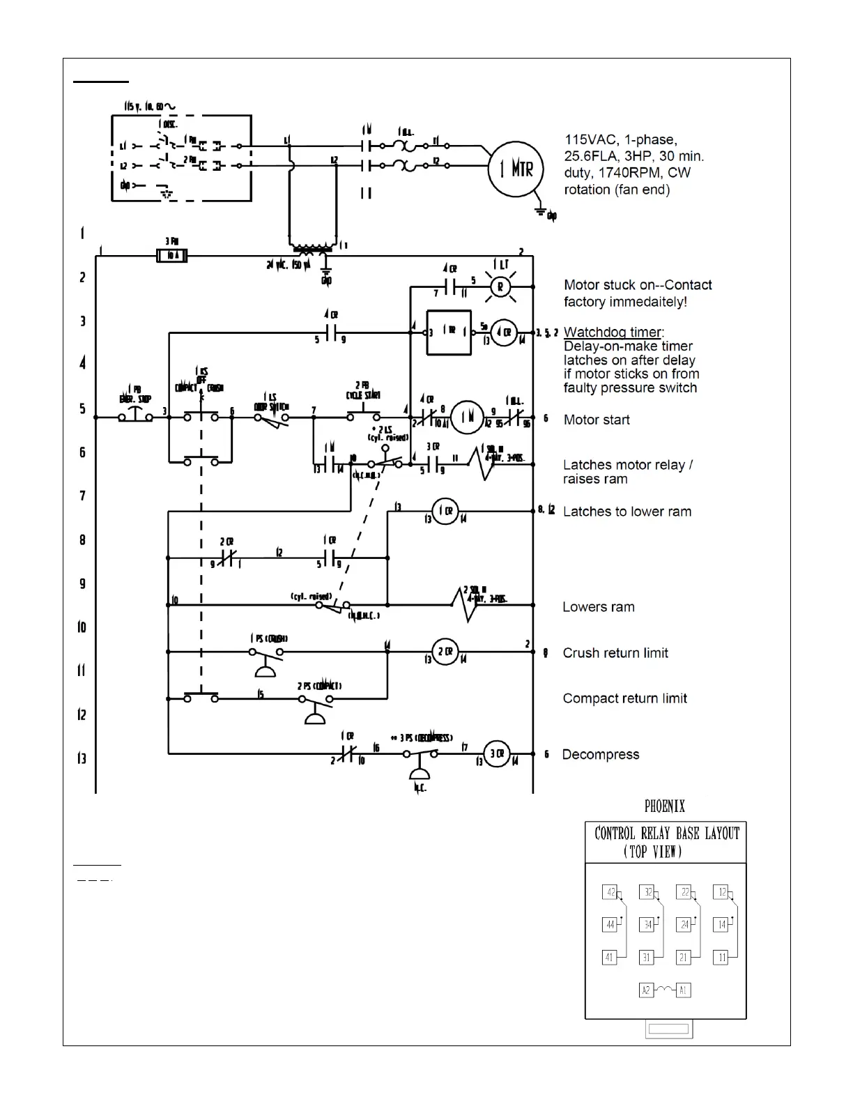
FIG. 11: SINGLE PHASE 115VAC ELECTRICAL CIRCUIT DIAGRAM (22124026 REV. E)
NOTES:
Indicates wire and/or components not included with unit
*All components shown with unit in normal starting position,
i.e. ram fully raised and cabinet door open.
1TR is ICM Controls: part no. ICM1028; Delay-on-make set
for 2 minutes.
1T is ACME part no. TB-81324; 150VA control transformer or
equivalent.
Manifold part no. 22-127-015.
**When pressure exceeds 350PSI, switch is open to allow
compression before ram rises.
Bekijk gratis de handleiding van Vestil HDC-905-HC, stel vragen en lees de antwoorden op veelvoorkomende problemen, of gebruik onze assistent om sneller informatie in de handleiding te vinden of uitleg te krijgen over specifieke functies.
Productinformatie
Merk | Vestil |
Model | HDC-905-HC |
Categorie | Niet gecategoriseerd |
Taal | Nederlands |
Grootte | 5576 MB |