Vestil EHLTP-4864-2-60-A2 handleiding
Handleiding
Je bekijkt pagina 3 van 26

TABLE OF CONTENTS Rev. 11/23/2021 EHLTP MANUAL
TABLE OF CONTENTS Copyright 2020 Vestil Manufacturing Corp. Page 3 of 26
Proper use and maintenance are essential for this product to function properly.
• Periodically lubricate pivot points with bearing grease.
• Keep the product clean & dry. Store this cart indoors.
• Only use manufacturer-approved replacement parts. Order replacement/spare parts for this
equipment by contacting the TECHNICAL SERVICE DEPARTMENT.
• DO NOT use brake fluid or jack oils in the hydraulic system. If oil is needed, only use an anti-wear
hydraulic oil with a viscosity grade of 150 SUS at 100°F, (ISO 32 cSt @ 40°C), or Dexron transmission fluid.
• Contact the manufacturer for SDS (Safety Data Sheet) documentation
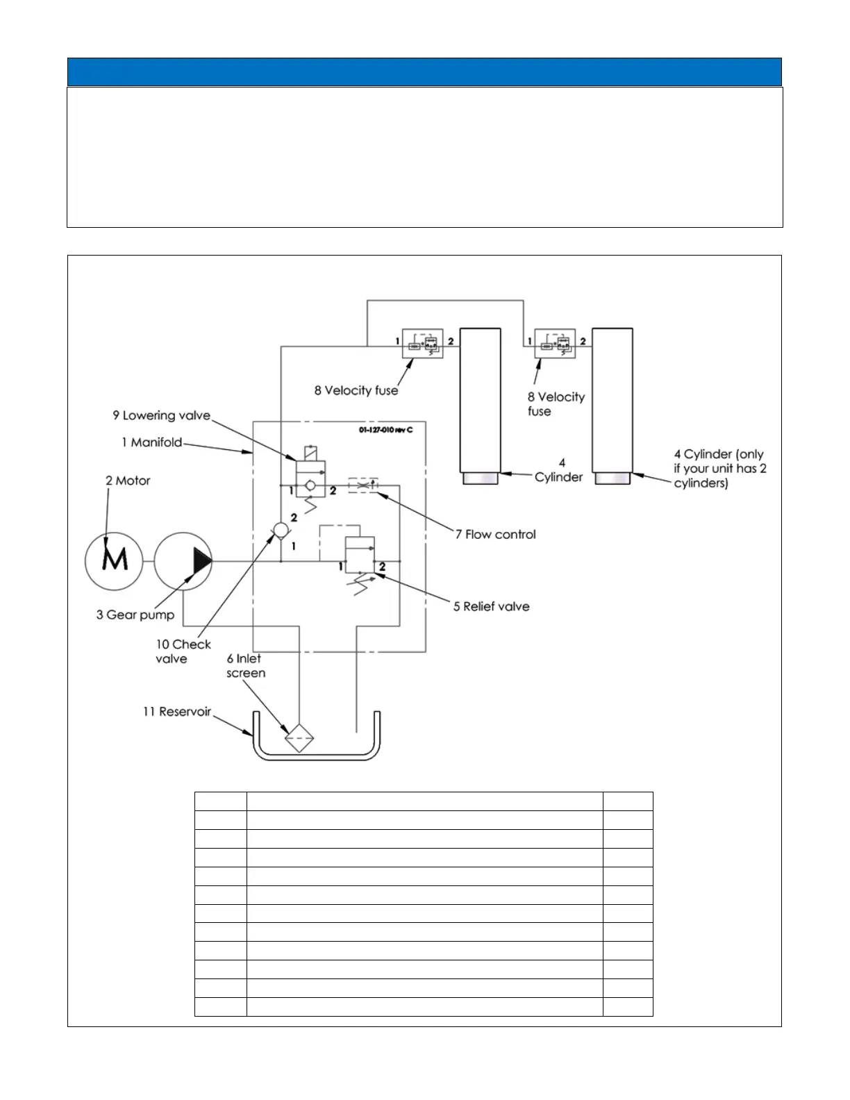
HYDRAULIC CIRCUIT DIAGRAM (01-125-010 REV. C)
NOTICE
Item
Description
Qty.
1
Manifold
1
2
Motor
1
3
Gear pump
1
4
Cylinder, ram style
2
5
Relief valve, 210 bar, size 08
1
6
Inlet screen, 100 mesh 2” pancake
1
7
Flow control, pressure compensated
1
8
Velocity fuse, adjustable, brass
2
9
Lowering solenoid valve, cartridge, NC, no coil, w/ nut
1
10
Check valve
1
11
Reservoir
1
Bekijk gratis de handleiding van Vestil EHLTP-4864-2-60-A2, stel vragen en lees de antwoorden op veelvoorkomende problemen, of gebruik onze assistent om sneller informatie in de handleiding te vinden of uitleg te krijgen over specifieke functies.
Productinformatie
Merk | Vestil |
Model | EHLTP-4864-2-60-A2 |
Categorie | Niet gecategoriseerd |
Taal | Nederlands |
Grootte | 5884 MB |