Vestil EHLT-TL-48180-2-58 handleiding
Handleiding
Je bekijkt pagina 8 van 22

Operator’s Manual 10/23/2023 EHLT-TL MANUAL
Table of Contents Copyright 2023 Vestil Manufacturing Co. Page 8 of 22
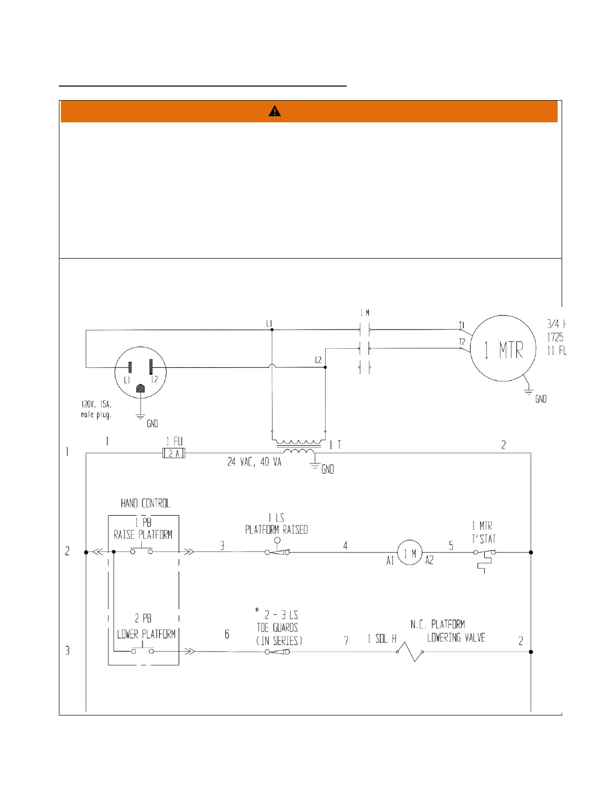
ELECTRICAL AND HYDRAULIC SYSTEM DIAGRAMS
WARNING
Risk of electric shock.
Identify all potential hazards and comply with applicable safety procedures before beginning work. Ensure
that all system pressure and electrical power have been removed before attempting to work on the electrical
or hydraulic systems. Follow all applicable lockout/tagout procedures.
The load must be removed, and the platform either positively and adequately supported or fully lowered,
before any work is performed on the lift table.
Only qualified individuals trained to understand mechanical devices and their associated electrical and
hydraulic circuits, as well as the hazards associated with them, should attempt troubleshooting and repair of
this equipment.
115 VAC, Single-Phase Electric Circuit Diagram (24124012 Rev. B)
Note: Overcurrent & short circuit protection and disconnect must be provided by end user.
Bekijk gratis de handleiding van Vestil EHLT-TL-48180-2-58, stel vragen en lees de antwoorden op veelvoorkomende problemen, of gebruik onze assistent om sneller informatie in de handleiding te vinden of uitleg te krijgen over specifieke functies.
Productinformatie
Merk | Vestil |
Model | EHLT-TL-48180-2-58 |
Categorie | Niet gecategoriseerd |
Taal | Nederlands |
Grootte | 5647 MB |