Vestil EH-65-20 handleiding
Handleiding
Je bekijkt pagina 9 van 19

TABLE OF CONTENTS 5/12/2022 EH MANUAL
TABLE OF CONTENTS Copyright 2022 Vestil Manufacturing Page 9 of 19
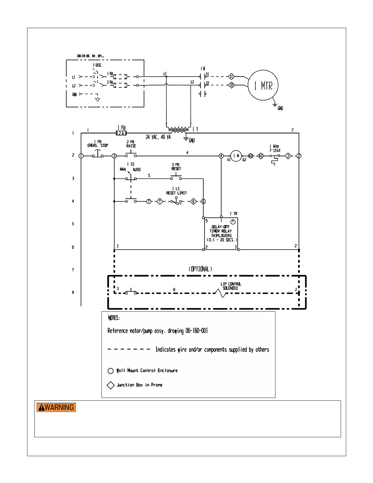
EH Dock Leveler Electrical Circuit Diagram, 208-230VAC, 1-phase
06-124-030 rev. A
Turn off all sources of electrical power and lock and tag them out before beginning this
installation.
2in. conduit is recommended for this installation to allow adequate room for auxiliary
equipment that might be added in the future, such as dock locks and lights.
Always turn off all power sources before servicing this equipment.
The end-user must provide overcurrent and short circuit protection compliant with NEC guidelines
and local codes.
Bekijk gratis de handleiding van Vestil EH-65-20, stel vragen en lees de antwoorden op veelvoorkomende problemen, of gebruik onze assistent om sneller informatie in de handleiding te vinden of uitleg te krijgen over specifieke functies.
Productinformatie
Merk | Vestil |
Model | EH-65-20 |
Categorie | Niet gecategoriseerd |
Taal | Nederlands |
Grootte | 4662 MB |