Vestil CART-500-LA-PSS handleiding

6 pagina's
PDF beschikbaar

Handleiding

Je bekijkt pagina 5 van 6
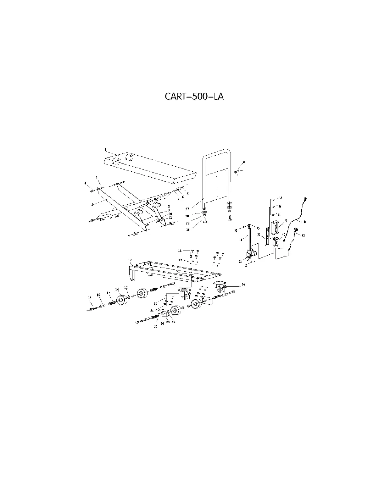
CART-500-LA, Manual.doc
Page 5 of 6
Copyright 2017 Vestil Manufacturing
Corp.

Bekijk gratis de handleiding van Vestil CART-500-LA-PSS, stel vragen en lees de antwoorden op veelvoorkomende problemen, of gebruik onze assistent om sneller informatie in de handleiding te vinden of uitleg te krijgen over specifieke functies.

Productinformatie

MerkVestil
ModelCART-500-LA-PSS
CategorieNiet gecategoriseerd
TaalNederlands
Grootte1720 MB