Vestil ALL-T-2-48 handleiding

9 pagina's
PDF beschikbaar

Handleiding

Je bekijkt pagina 6 van 9
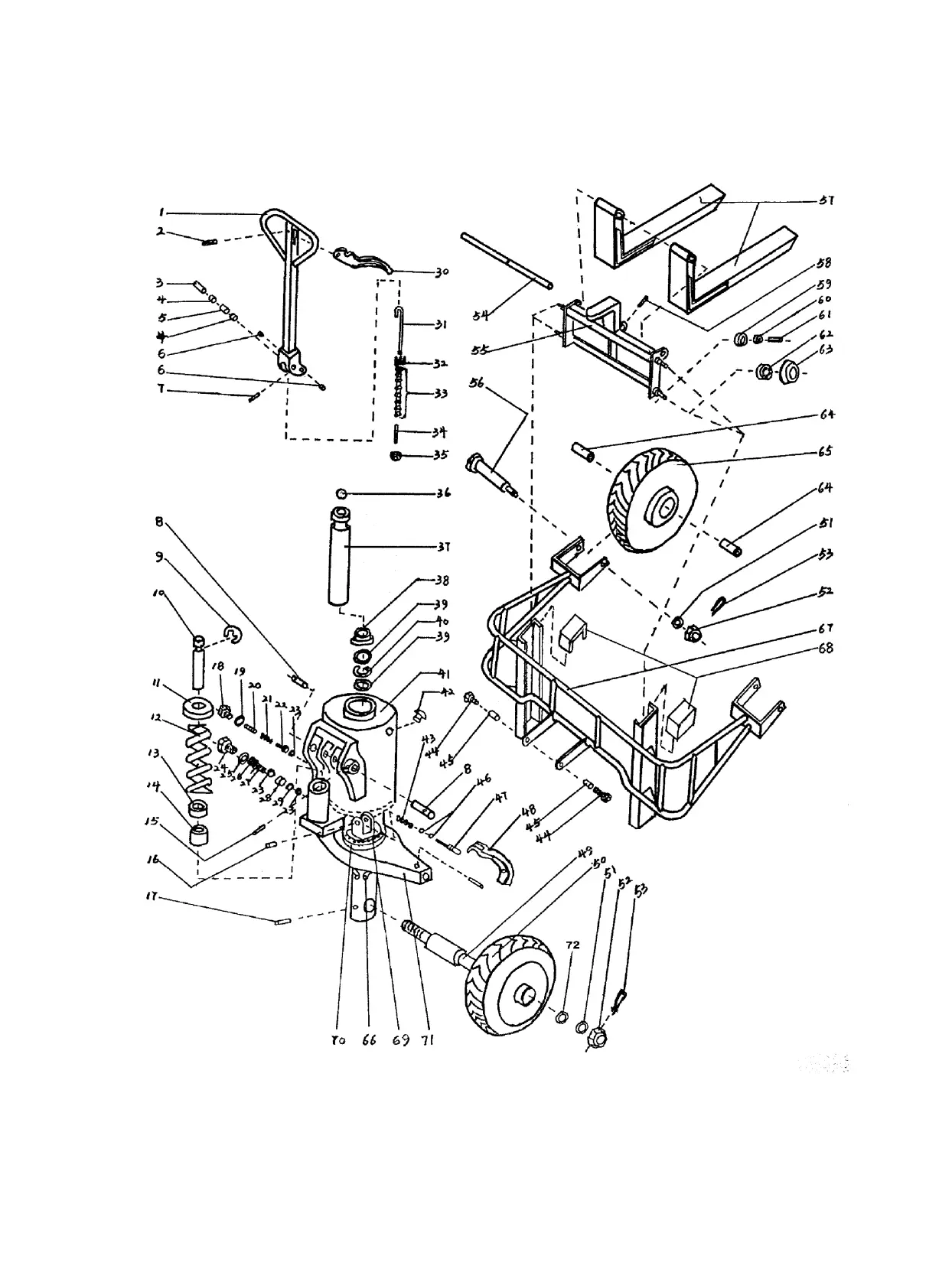
EXPLODED VIEW OF CHPT CONSTRUCTION
HAND PALLET TRUCK
6

Bekijk gratis de handleiding van Vestil ALL-T-2-48, stel vragen en lees de antwoorden op veelvoorkomende problemen, of gebruik onze assistent om sneller informatie in de handleiding te vinden of uitleg te krijgen over specifieke functies.

Productinformatie

MerkVestil
ModelALL-T-2-48
CategorieVorkheftruck
TaalNederlands
Grootte5123 MB

Andere merken in Vorkheftruck