Vestil ALL-T-2-48 handleiding
Handleiding
Je bekijkt pagina 2 van 9

Introduction
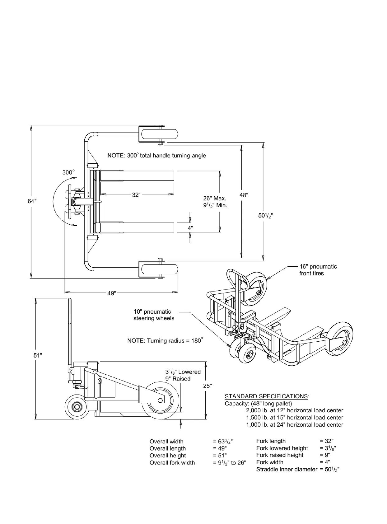
Thank you for purchasing an ALL-T-2 manual pallet truck. This pallet truck was designed to traverse rough
terrain where no ordinary pallet truck can go and is adapted for use in settings such as garden nurseries,
construction sites, and marinas. The truck features a high quality hydraulic pump with welded construction
and chrome plated piston and pump plunger ensure durability and corrosion resistance. All the joints are
fitted with seals to ensure sealing and keep the body from oil leaking. Safety by-pass valve helps protect
against overload. 3-position control handle allows operator to lower, raise and engage pump into neutral
position with a simple tough of the lever. Strong & light tubular steel framing and adjustable fork width.
Large pneumatic tires make handling pallets of most sizes possible without the need for a forklift.
Specifications
2
Bekijk gratis de handleiding van Vestil ALL-T-2-48, stel vragen en lees de antwoorden op veelvoorkomende problemen, of gebruik onze assistent om sneller informatie in de handleiding te vinden of uitleg te krijgen over specifieke functies.
Productinformatie
Merk | Vestil |
Model | ALL-T-2-48 |
Categorie | Vorkheftruck |
Taal | Nederlands |
Grootte | 5123 MB |