Valley Craft F88586C2 handleiding

23 pagina's
PDF beschikbaar

Handleiding

Je bekijkt pagina 21 van 23
21
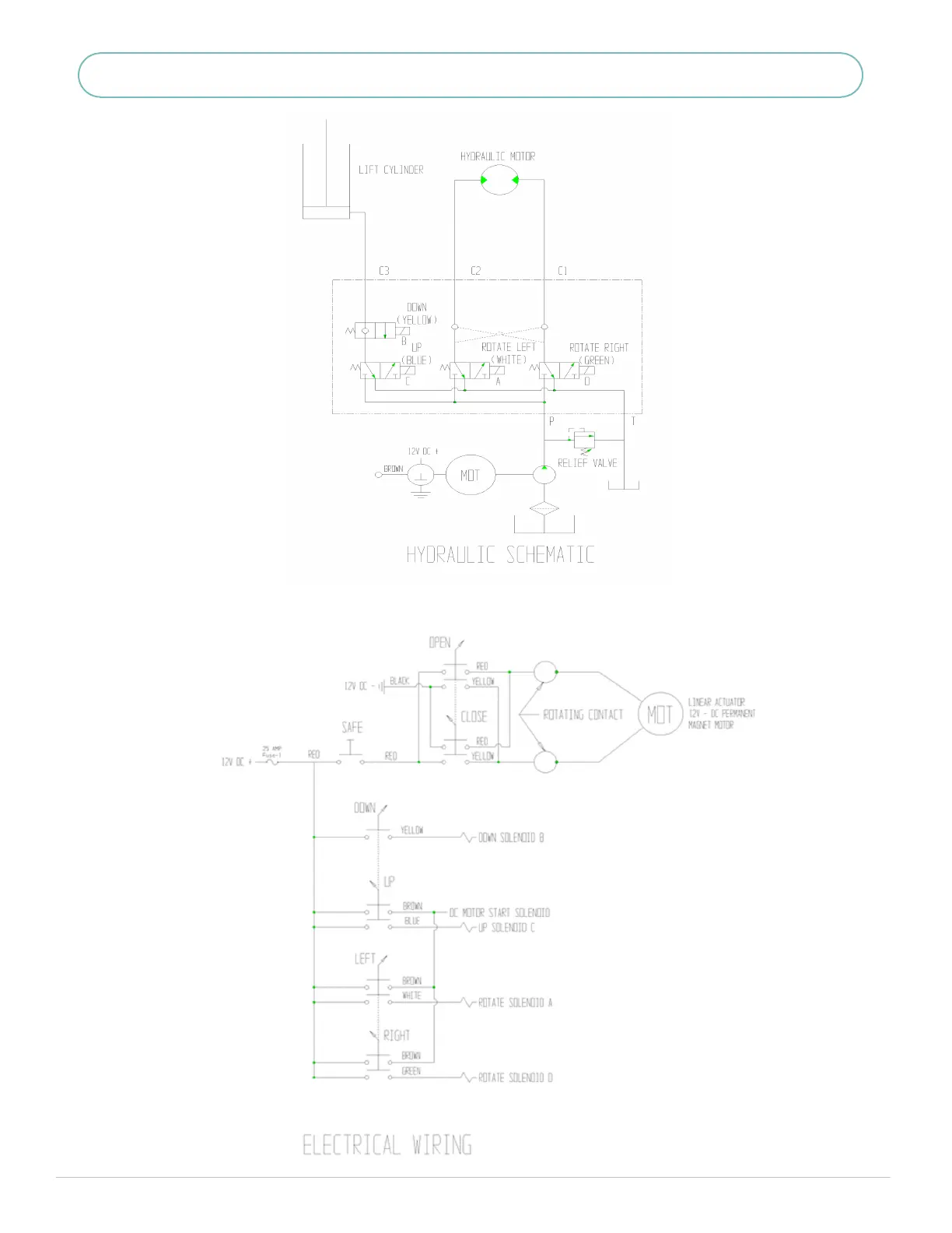
BATTERY POWERED ROTOGRIP STRADDLE

Bekijk gratis de handleiding van Valley Craft F88586C2, stel vragen en lees de antwoorden op veelvoorkomende problemen, of gebruik onze assistent om sneller informatie in de handleiding te vinden of uitleg te krijgen over specifieke functies.

Productinformatie

MerkValley Craft
ModelF88586C2
CategorieNiet gecategoriseerd
TaalNederlands
Grootte4781 MB