V-Tac VT-12316 handleiding
Handleiding
Je bekijkt pagina 20 van 51

- 18 -
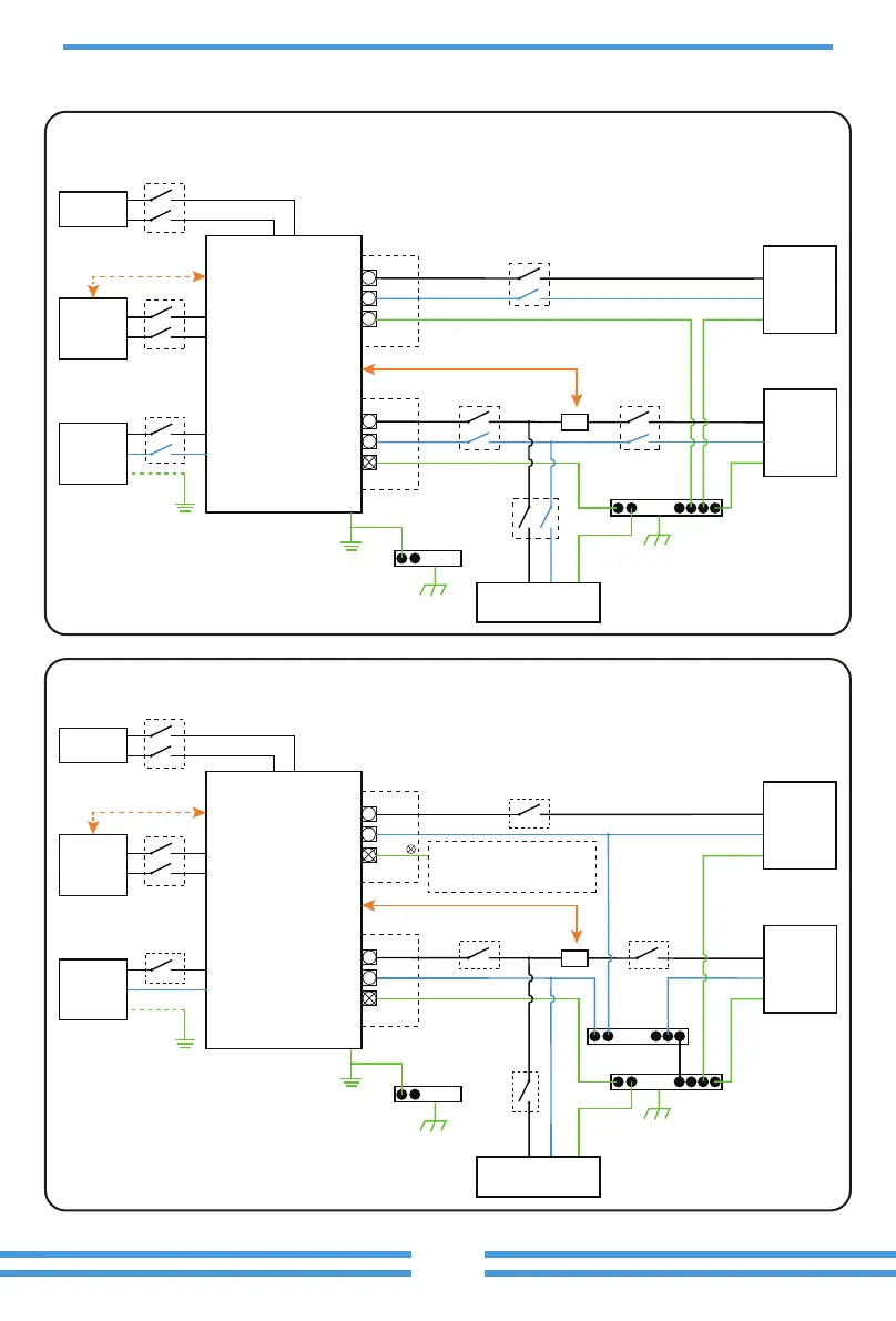
3.9 Wiring System for Inverter
E-BAR
E-BAR
AC Breaker
AC Breaker AC Breaker
Load
L L
N
PE
N
PE
Battery
Diesel
generator
Diesel
generator
BMS
Load
L N PE
Grid
L L
N
PE
N
PE
Grid
CT
CT
Home Loads
Hybrid Inverter
AC Breaker
DC Breaker
PV
DC Breaker
E-BAR
E-BAR
N-BAR
AC Breaker
AC Breaker AC Breaker
Load
L L
N
PE
or
N
PE
Battery
PV
BMS
Load
L N PE
Grid
L L
N
PE
N
PE
Grid
CT
CT
Home Loads
Hybrid Inverter
AC Breaker
DC Breaker
DC Breaker
Do not connect this terminal
when the neutral wire and PE
wire are connected together.
E-N
Link
This diagram is an example for applica�on that Neutral connects together with
PE in distribu�on box.
Such as: Australia, New Zealand, South Africa, etc. (Please follow local wiring
regula�ons!)
This diagram is an example for grid systems without special requirements on
electrical wiring connec�on.
Note: The back-up PE line and earthing bar must be grounded properly and
effec�vely.
Otherwise the back-up func�on may be abnormal when the grid fails.
Bekijk gratis de handleiding van V-Tac VT-12316, stel vragen en lees de antwoorden op veelvoorkomende problemen, of gebruik onze assistent om sneller informatie in de handleiding te vinden of uitleg te krijgen over specifieke functies.
Productinformatie
| Merk | V-Tac |
| Model | VT-12316 |
| Categorie | Niet gecategoriseerd |
| Taal | Nederlands |
| Grootte | 8263 MB |







