V-Tac SUN-5K-SG03LP1-EU handleiding
Handleiding
Je bekijkt pagina 23 van 51

- 21 -
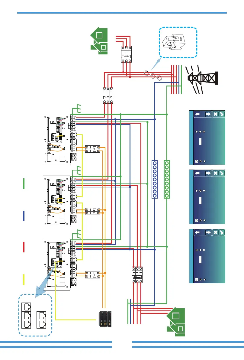
3.12 Three phase Parallel Inverter
①②③ DC Breaker for battery
SUN 3.6K-SG: 150A DC breaker
SUN 5K-SG: 150A DC breaker
SUN 6K-SG: 200A DC breaker
⑤ AC Breaker for grid port
SUN 3.6K-SG: 40A AC breaker
SUN 5K-SG: 40A AC breaker
SUN 6K-SG: 40A AC breaker
④ AC Breaker for backup load
SUN 3.6K-SG: 40A AC breaker
SUN 5K-SG: 40A AC breaker
SUN 6K-SG: 40A AC breaker
⑥ AC Breaker
Depends on Homeload
ON
1 2
ON
1 2
ON
1 2
Ground
L wireCAN N wire PE wire
Battery pack
Grid
CAN/RS 485
L1
N
PE
L2
L3
LoadGEN Grid LoadGEN Grid LoadGEN Grid
A Phase Inverter No.1(master) B Phase Inverter No.2(master) C Phase Inverter No.3(master)
Backup Load
Parallel
Master
Slave
Modbus SN
01
A Phase
B Phase
C Phase
Advanced Function
Paral.
Set3
Parallel
Master
Slave
Modbus SN
02
A Phase
B Phase
C Phase
Advanced Function
Paral.
Set3
Parallel
Master
Slave
Modbus SN
03
A Phase
B Phase
C Phase
Advanced Function
Paral.
Set3
A Phase Master inverter B Phase Master inverter C Phase Master inverter
Home load
L3
L2
L1
N-BAR
E-BAR
④ AC Breaker
⑤ AC Breaker
⑥ AC Breaker
① DC
Breaker
② DC
Breaker
③ DC
Breaker
CT1
CT2
CT3
CT
Arrow pointing
to inverter
RS 485/
METER
parallel_1 parallel_2
BMS 485/
CAN
DRMs
Bekijk gratis de handleiding van V-Tac SUN-5K-SG03LP1-EU, stel vragen en lees de antwoorden op veelvoorkomende problemen, of gebruik onze assistent om sneller informatie in de handleiding te vinden of uitleg te krijgen over specifieke functies.
Productinformatie
Merk | V-Tac |
Model | SUN-5K-SG03LP1-EU |
Categorie | Niet gecategoriseerd |
Taal | Nederlands |
Grootte | 8263 MB |