V-Tac SUN-40K-SG01HP3-EU-BM4 handleiding
Handleiding
Je bekijkt pagina 4 van 52

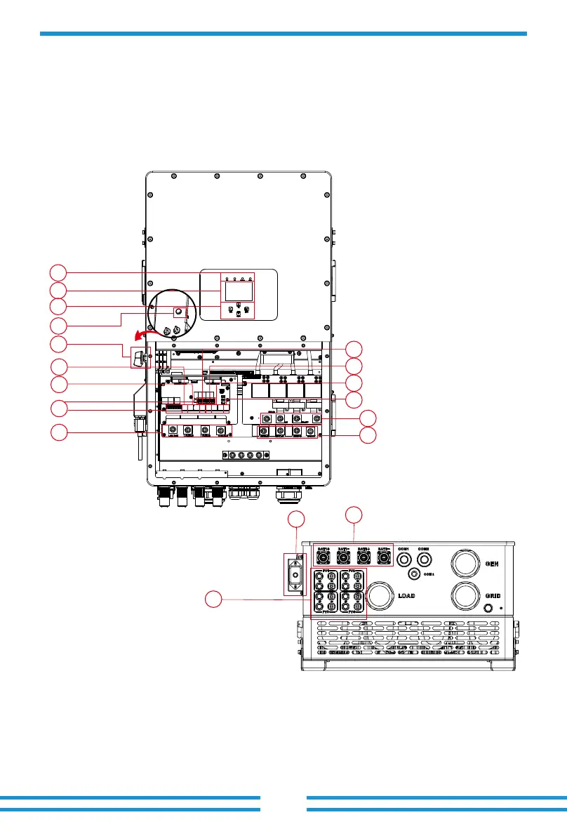
2. Product Introducons
2.1 Product Overview
- 02 -
1
2
3
4
5
16
17
18
7
6
8
9
11
10
12
13
14
15
Bekijk gratis de handleiding van V-Tac SUN-40K-SG01HP3-EU-BM4, stel vragen en lees de antwoorden op veelvoorkomende problemen, of gebruik onze assistent om sneller informatie in de handleiding te vinden of uitleg te krijgen over specifieke functies.
Productinformatie
| Merk | V-Tac |
| Model | SUN-40K-SG01HP3-EU-BM4 |
| Categorie | Niet gecategoriseerd |
| Taal | Nederlands |
| Grootte | 8305 MB |







