V-Tac SUN-10K-SG04LP3-EU handleiding
Handleiding
Je bekijkt pagina 23 van 51

- 21 -
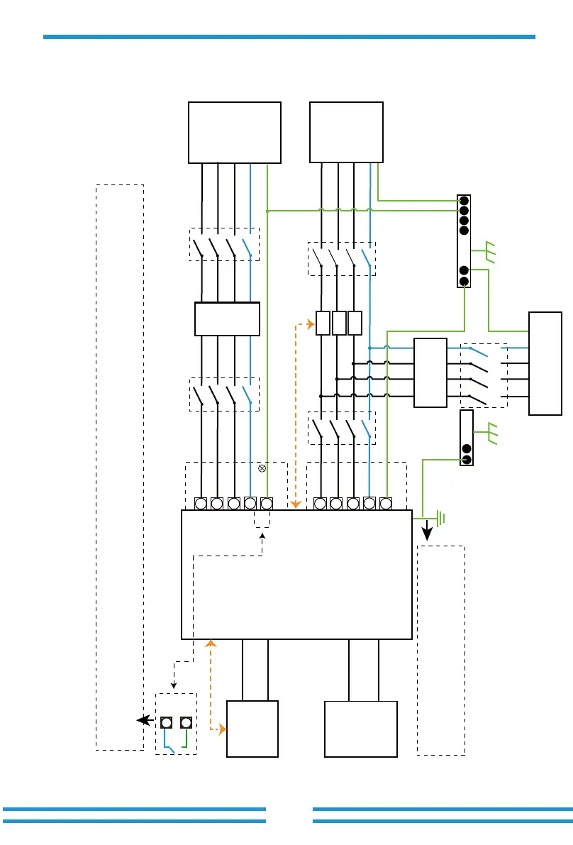
3.10 Wiring diagram
This diagram is an example for an applica�on in which neutral is separated from the PE in the distribu�on box.
For countries such as China, Germany,the Czech Republic, Italy, etc., please follow local wiring regua�ons!
When the inverter is working in backup mode, neutral and PE on the backup side are connected via the internal
relay. Also,this internal relay will be open when the inverter is working in grid �ed mode.
Note:Backup func�on is op�onal in German market.please leave backup side empty if backup func�on is not
available in the inverter.
E-BAR
Solar
Array
Backup
Loads
CT
PE
L2 L2
L1 L1
L3
Backup
PE or
L3
N
PE
N
L2
L2
L2
L1
L1
L1
L3
L3
On-Grid
PE
L3
N
PE
N
N
Hybrid Inverter
CT1
CT2
CT3
RCD
Home Loads
RCD
E-BAR
Grid
Battery
BMS
Distribution box
Grouding screw hole in the
lower right corner
N
PE
Bekijk gratis de handleiding van V-Tac SUN-10K-SG04LP3-EU, stel vragen en lees de antwoorden op veelvoorkomende problemen, of gebruik onze assistent om sneller informatie in de handleiding te vinden of uitleg te krijgen over specifieke functies.
Productinformatie
Merk | V-Tac |
Model | SUN-10K-SG04LP3-EU |
Categorie | Niet gecategoriseerd |
Taal | Nederlands |
Grootte | 7932 MB |