Turbo Air TS025MR404A3A-T handleiding

26 pagina's
PDF beschikbaar

Handleiding

Je bekijkt pagina 24 van 26
24
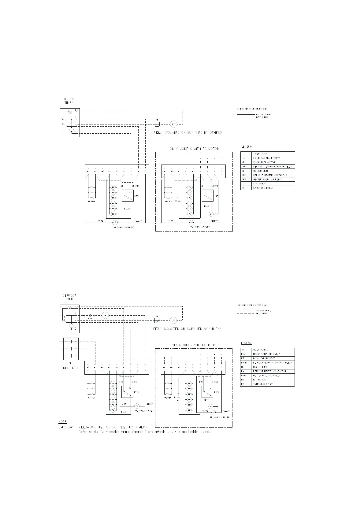
Diagram 2. Typical diagram for single evaporator defrost timer only.
Diagram 3. Typical diagram for single evaporator with defrost timer and single phase
heater contactor.

Bekijk gratis de handleiding van Turbo Air TS025MR404A3A-T, stel vragen en lees de antwoorden op veelvoorkomende problemen, of gebruik onze assistent om sneller informatie in de handleiding te vinden of uitleg te krijgen over specifieke functies.

Productinformatie

MerkTurbo Air
ModelTS025MR404A3A-T
CategorieNiet gecategoriseerd
TaalNederlands
Grootte2377 MB