Turbo Air TS008MR404A2-T handleiding

26 pagina's
PDF beschikbaar

Handleiding

Je bekijkt pagina 23 van 26
23
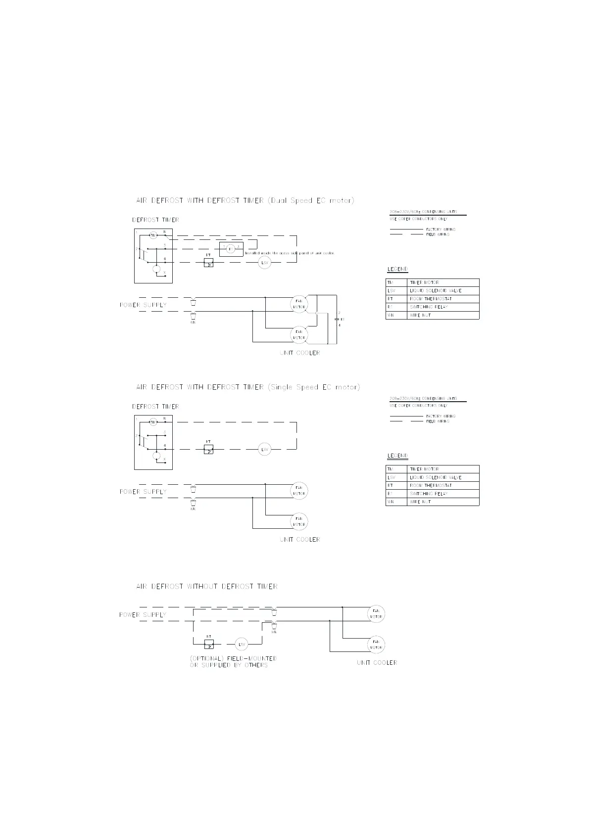
Field Wiring.
Diagram 1. Typical wiring diagram for single evaporator with or without defrost timer.

Bekijk gratis de handleiding van Turbo Air TS008MR404A2-T, stel vragen en lees de antwoorden op veelvoorkomende problemen, of gebruik onze assistent om sneller informatie in de handleiding te vinden of uitleg te krijgen over specifieke functies.

Productinformatie

MerkTurbo Air
ModelTS008MR404A2-T
CategorieNiet gecategoriseerd
TaalNederlands
Grootte2377 MB