Turbo Air STX130MR448A2 handleiding

33 pagina's
PDF beschikbaar

Handleiding

Je bekijkt pagina 30 van 33
30
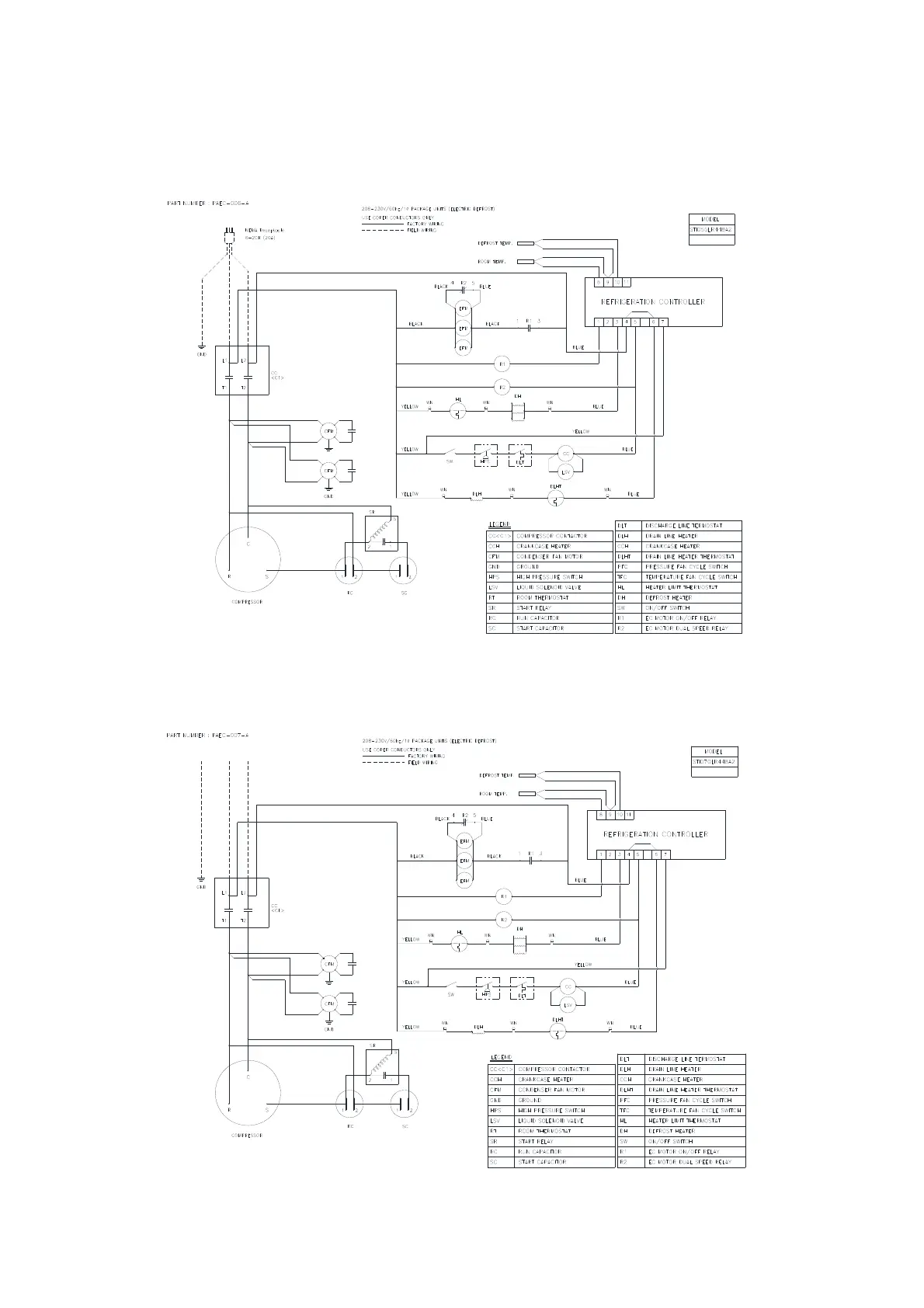
Diagram 9. Wiring diagram for SMART 7, Electric Defrost 208~230V / 1Ph / 60Hz.
Model : STI055LR448A2
Diagram 10. Wiring diagram for SMART 7, Electric Defrost 208~230V / 1Ph / 60Hz.
Model : STI070LR448A2

Bekijk gratis de handleiding van Turbo Air STX130MR448A2, stel vragen en lees de antwoorden op veelvoorkomende problemen, of gebruik onze assistent om sneller informatie in de handleiding te vinden of uitleg te krijgen over specifieke functies.

Productinformatie

MerkTurbo Air
ModelSTX130MR448A2
CategorieNiet gecategoriseerd
TaalNederlands
Grootte2961 MB