Handleiding
Bekijk gratis de handleiding van Turbo Air STX070LR448A2, stel vragen en lees de antwoorden op veelvoorkomende problemen, of gebruik onze assistent om sneller informatie in de handleiding te vinden of uitleg te krijgen over specifieke functies.
Productinformatie
| Merk | Turbo Air |
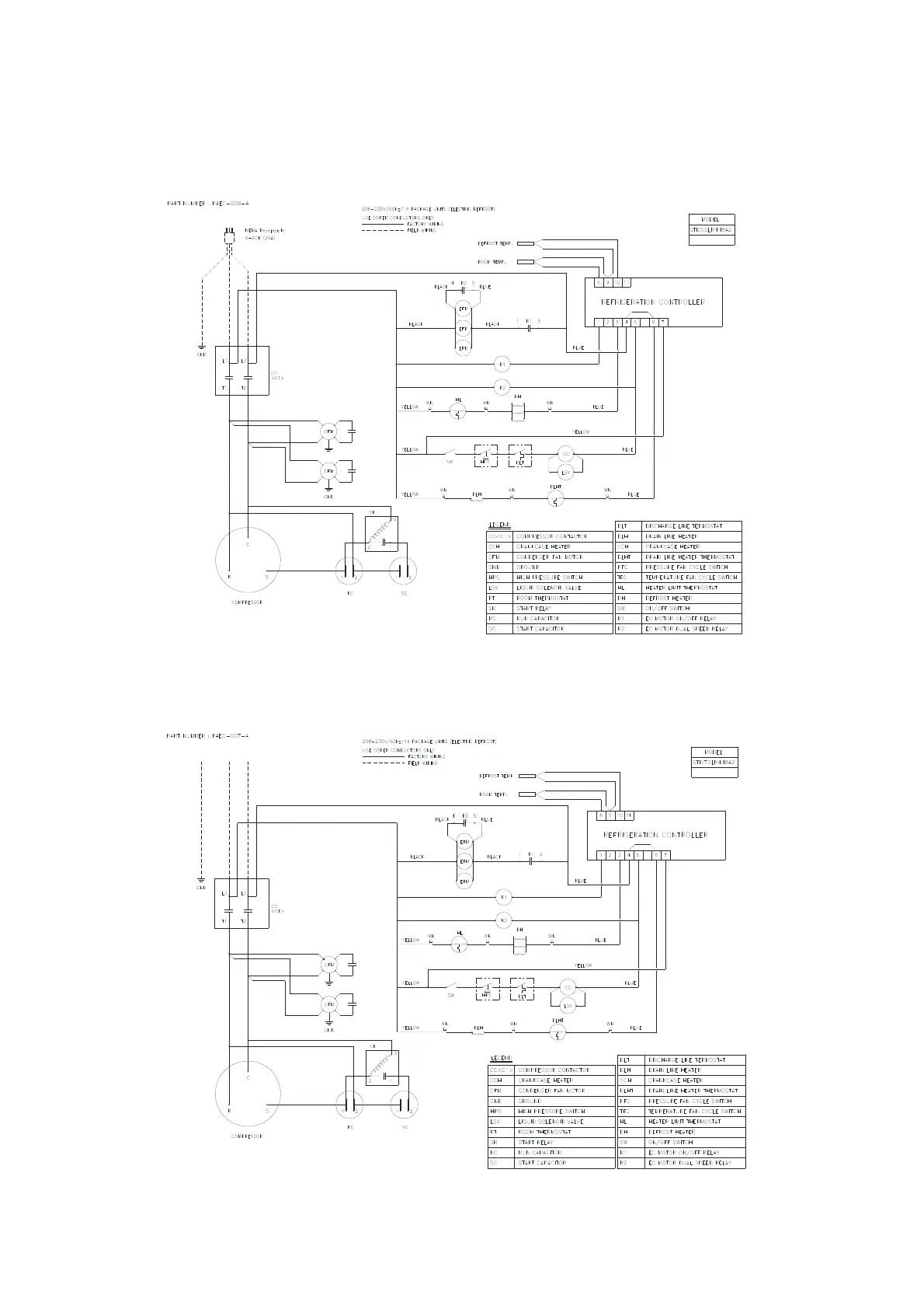
| Model | STX070LR448A2 |
| Categorie | Vriezer |
| Taal | Nederlands |
| Grootte | 2961 MB |








