Turbo Air STI045LR448A2 handleiding

33 pagina's
PDF beschikbaar

Handleiding

Je bekijkt pagina 32 van 33
32
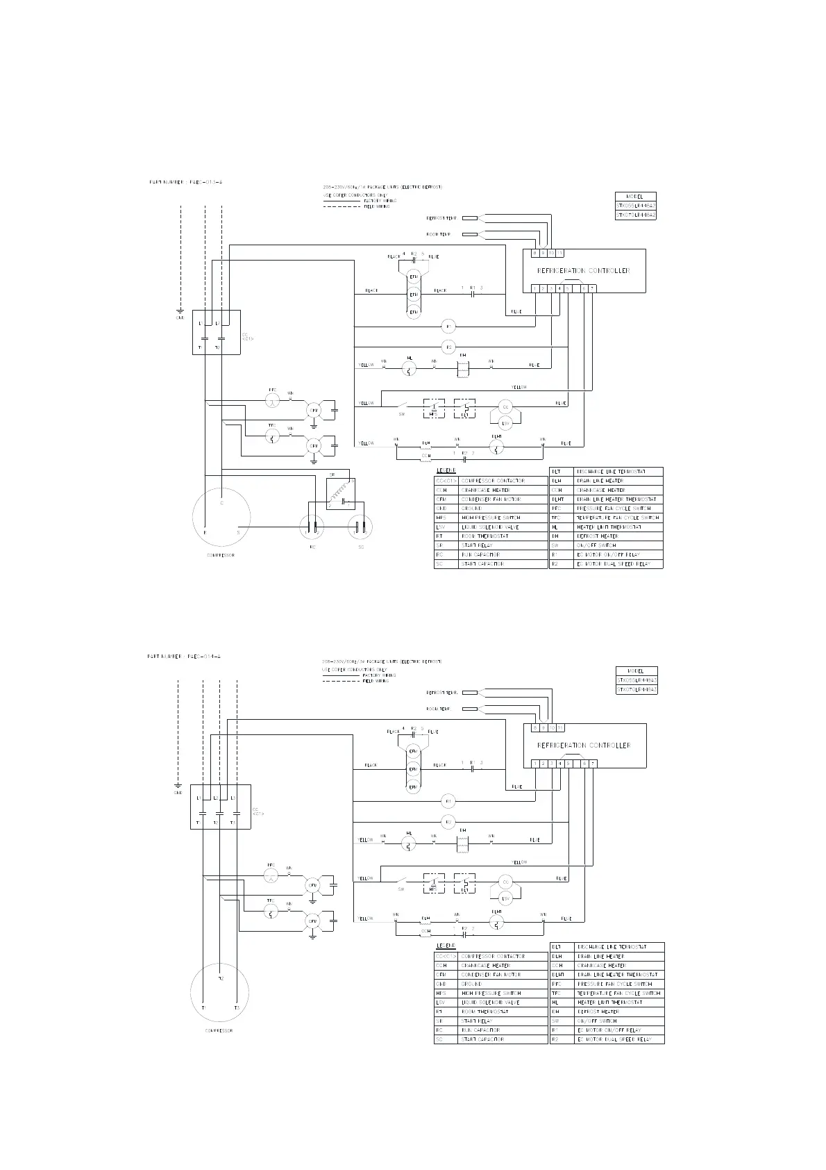
Diagram 13. Wiring diagram for SMART 7, Electric Defrost 208~230V / 1Ph / 60Hz.
Model : STI055LR448A2 , STI070LR448A2
Diagram 14. Wiring diagram for SMART 7, Electric Defrost 208~230V / 3Ph / 60Hz.
Model : STX055LR448A3 , STX070LR448A3

Bekijk gratis de handleiding van Turbo Air STI045LR448A2, stel vragen en lees de antwoorden op veelvoorkomende problemen, of gebruik onze assistent om sneller informatie in de handleiding te vinden of uitleg te krijgen over specifieke functies.

Productinformatie

MerkTurbo Air
ModelSTI045LR448A2
CategorieVriezer
TaalNederlands
Grootte2961 MB