Turbo Air ADR258AE handleiding

26 pagina's
PDF beschikbaar

Handleiding

Je bekijkt pagina 25 van 26
25
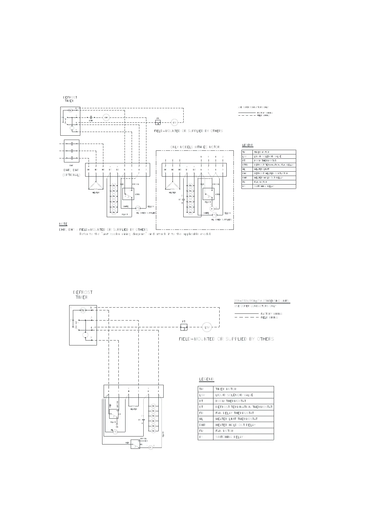
Diagram 4. Typical diagram for single evaporator with defrost timer and 3-phase heater
contactor.
Diagram 5. Typical diagram for single evaporator defrost timer only (TTE-TYPE).

Bekijk gratis de handleiding van Turbo Air ADR258AE, stel vragen en lees de antwoorden op veelvoorkomende problemen, of gebruik onze assistent om sneller informatie in de handleiding te vinden of uitleg te krijgen over specifieke functies.

Productinformatie

MerkTurbo Air
ModelADR258AE
CategorieNiet gecategoriseerd
TaalNederlands
Grootte2377 MB