Toshiba DW-15F5SS-NZ handleiding
Handleiding
Je bekijkt pagina 32 van 37

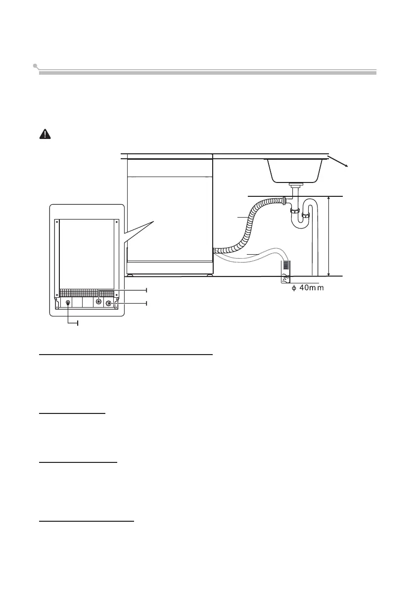
Please securely fix the drain hose in either position A or position B
Insert the drain hose into a drain pipe with a minimum diameter of 4 cm, or let it run into
the sink, making sure to avoid bending or crimping it. The height of drain pipe must be less
than 1000mm. The free end of the hose must not be immersed in water to avoid the back
flow of it.
Extension hose
Water outlet
How to drain excess water from hoses
Syphon connection
If the sink is 1000 higher from the floor, the excess water in hoses cannot be drained
directly into the sink. It will be necessary to drain excess water from hoses into a bowl or
suitable container that is held outside and lower than the sink.
Connect the water drain hose. The drain hose must be correctly fitted to avoid water
leaks. Ensure that the water drain hose is not kinked or squashed.
The waste connection must be at a height less than 100 cm (maximum) from the bottom
of the dish. The water drain hose should be fixed .
If you need a drain hose extension, make sure to use a similar drain hose.
It must be no longer than 4 meters; otherwise the cleaning effect of the dishwasher
could be reduced.
B
A
MAX 1000mm
Counter
Drain hose
Back of dishwasher
Water Inlet
Drain Pipe
Mains Cable
Connection of drain hoses
32
Bekijk gratis de handleiding van Toshiba DW-15F5SS-NZ, stel vragen en lees de antwoorden op veelvoorkomende problemen, of gebruik onze assistent om sneller informatie in de handleiding te vinden of uitleg te krijgen over specifieke functies.
Productinformatie
| Merk | Toshiba |
| Model | DW-15F5SS-NZ |
| Categorie | Wasmachine |
| Taal | Nederlands |
| Grootte | 3088 MB |







