Toro 23800W handleiding
Handleiding
Je bekijkt pagina 41 van 100

LoadingDrillPipesintothePipeHolder
Beforeusingthemachine,llthepipeholderwithupto40
drillpipes.
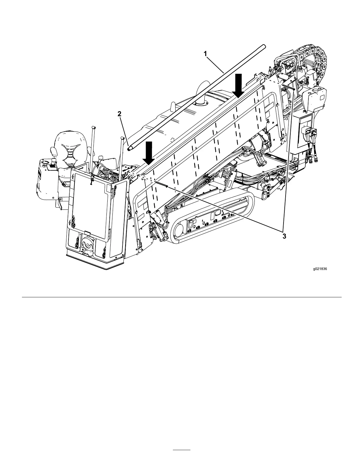
Figure33
1.Pipe2.Maleend
3.Clevispins
1.Removetheclevispinsfromthepipeholder(Figure
33).
2.Insertthepipesfromthetopwiththemalethreaded
pipeendstowardthefrontofthemachine(Figure33).
3.Installtheclevispinsbeforedrilling.
Note:Beforedrilling,checktheconditionofthepipesand
replaceanythatarebentordamaged.
AddingFuel
ServiceInterval:Beforeeachuseordaily—Checkthefuel
level.
Useonlyclean,freshdieselfuelorbiodieselfuelswithlow
(<500ppm)orultralow(<15ppm)sulfurcontent.The
minimumcetaneratingshouldbe40.Purchasefuelin
quantitiesthatcanbeusedwithin180daystoensurefuel
freshness.
Fueltankcapacity:114L(30USgallons)
Usesummergradedieselfuel(No.2-D)attemperatures
above-7°C(20°F)andwintergrade(No.1-DorNo.
1-D/2-Dblend)belowthattemperature.Useofwintergrade
fuelatlowertemperaturesprovideslowerashpointand
coldowcharacteristicswhichwilleasestartingandreduce
fuellterplugging.
41
Bekijk gratis de handleiding van Toro 23800W, stel vragen en lees de antwoorden op veelvoorkomende problemen, of gebruik onze assistent om sneller informatie in de handleiding te vinden of uitleg te krijgen over specifieke functies.
Productinformatie
| Merk | Toro |
| Model | 23800W |
| Categorie | Niet gecategoriseerd |
| Taal | Nederlands |
| Grootte | 19211 MB |

