Toa VX-3000DS handleiding
Handleiding
Je bekijkt pagina 15 van 36

15
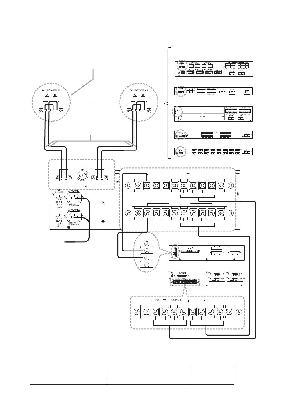
5.2.2. When not using a redundant power system
Requiredpowerissuppliedtothesystemfromasinglepowersupplyunit.Connectthe[+]terminalofInputAto
the[+]terminalofInputB,andthe[–]terminalofInputAtothe[–]terminalofInputB.
28 V 4.8 A
DC POWER IN
CH3 CH1
CH4 CH2
PA OUT (SP LINE)
C H
CH1
C H
CH2
C H
CH3
C H
CH4
28 V 4.8 A
DC POWER IN
FUSE 35A
(POWER OUT)
BATTERY POWER IN
24V MAX 150A
POWER OUT(
-
)
1234567
POWER OUT(+) 19-33V MAX 25A
WARNING
Take special care to prevent the battery
from being shorted by misconnection
of the battery cable.
If the shore occurs, the unit may fail.
OUT
DS LINK
16-24V MAX 0.3A
POWER OUT
TEMPERATURE
SENSOR
8
IN
CH4 CH3 CH2 CH1 CH4 CH3 CH2 CH1
h g ef
d c ab
FUSE
250V
2 1
T6.3A L
POWER OUT(
-
)
POWER OUT(+) 19 – 30V MAX 25A
d c ab
h g ef
VX-3000DS
4P removable terminal plug
(supplied with the SX-2000SM, SX-2100AI, SX-2000AO,
SX-2100AO, SX-2000CI, and SX-2000CO)
(DC power input terminal) (DC power input terminal)
SX-2100AI
SX-2100AO or SX-2000AO
(The figure below shows the SX-2100AO.)
SX-2000SM
SX-2000CI
SX-2000CO
+
+
-
-
-
VP-2064, VP-2122, VP-2241, or VP-2421
VP-3154, VP-3304, or VP-3504
230 V AC
220 V AC
50/60 Hz
Cable: AWG 18 – AWG 14
+
Notes
• TosupplyDCpowertoeachcomponentsuchasSX-2100AOandSX-2000SMexceptpowerampliers,the
VX-3000DS’“POWEROUT19–33VMAX25A”terminalcanalsobeused.
• ThemaximumnumberofthedevicesconnectedtoandtheoutputpowersuppliedfromoneVX-3000DSmust
bewithinthespeciedlimitshownbelow.Failuretoobservethisinstructionmaycausedamagetotheunit.
Modeloftheconnectedamplier Total number of the connected devices Total output power
VP-3154, VP-3304, VP-3504 Max. 8 channels 2000 W or less
VP-2064, VP-2122, VP-2241, VP-2421 Max. 8 units 1440 W or less
Bekijk gratis de handleiding van Toa VX-3000DS, stel vragen en lees de antwoorden op veelvoorkomende problemen, of gebruik onze assistent om sneller informatie in de handleiding te vinden of uitleg te krijgen over specifieke functies.
Productinformatie
Merk | Toa |
Model | VX-3000DS |
Categorie | Niet gecategoriseerd |
Taal | Nederlands |
Grootte | 5121 MB |